Содержание
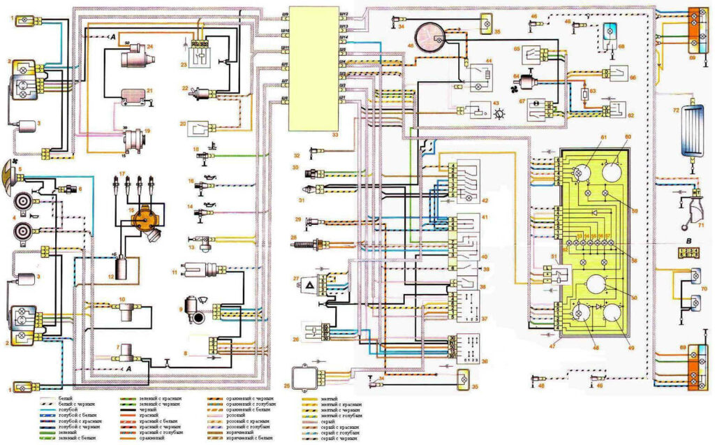
Схема электрооборудования автомобиля ваз 2107
1 — боковые указатели поворота;
2 — блок-фары;
3 — очистители фар ваз 2107;
4 — звуковые сигналы;
5 — электродвигатель вентилятора ваз 2107;
6 — датчик включения электродвигателя вентилятора ваз 2107;
7 — электродвигатель смывателя фар;
8 — блок управления пневмоклапаном;
9 — электродвигатель очистителя ветрового стекла;
10 — электродвигатель омывателя ветрового стекла;
11 — датчик уровня тормозной жидкости;
12 — катушка зажигания ваз 2107; 13 — подкапотная лампа;
14 — датчик указателя давления масла;
15 — распределитель зажигания ваз 2107;
16 — датчик контрольной лампы давления масла;
17 — свечи зажигания автомобиля ваз 2107;
18 — датчик температуры охлаждающей жидкости ваз 2107;
19 — генератор автомобиля ваз 2107;
20 — микропереключатель карбюратора ваз 2107;
21 — аккумуляторная батарея;
22 — пневмоклапан карбюратора ваз 2107;
23 — реле включения стартера;
24 — стартер ваз 2107;
25 — реле очистителя ветрового стекла;
26 — реле зажигания ваз 2107;
27 — реле-прерыватель аварийной сигнализации;
28 — выключатель стоп-сигнала;
29 — розетка для переносной лампы;
30 — выключатель света заднего хода;
31 — лампа вещевого ящика;
32 — выключатель контрольной лампы стояночного тормоза;
33 — монтажный блок ваз 2107;
34 — выключатель фонаря сигнализации открытой передней двери;
35 — фонарь сигнализации открытой передней двери;
36 — выключатель зажигания ваз 2107;
37 — переключатель очистителя ветрового стекла;
38 — выключатель омывателя стекол;
39 — выключатель звуковых сигналов;
40 — переключатель света фар ваз 2107;
41 — переключатель указателей поворота;
42 — выключатель аварийной сигнализации;
43 — выключатель освещения приборов ваз 2107;
44 — прикуриватель;
45 — часы с лампой освещения шкалы;
46 — выключатели плафона, расположенные в стойках дверей;
47 — комбинация приборов ваз 2107;
48 — указатель давления масла с контрольной лампой недостаточного давления ваз 2107;
49 — указатель температуры охлаждающей жидкости;
50 — тахометр ваз 2107;
51 — реле-прерыватель контрольной лампы стояночного тормоза;
52 — контрольная лампа указателей поворота;
53 — контрольная лампа уровня тормозной жидкости ваз 2107;
54 — контрольная лампа заряда аккумуляторной батареи;
55 — контрольная лампа заднего противотуманного света;
56 — контрольная лампа дальнего света фар ваз 2107;
57 — контрольная лампа габаритного света;
58 — контрольная лампа стояночного тормоза;
59 — лампы освещения комбинации приборов ваз 2107;
60 — вольтметр ваз 2107;
61 — указатель уровня топлива с контрольной лампой резерва;
62 — переключатель электродвигателя отопителя ваз 2107;
63 — дополнительный резистор электродвигателя отопителя;
64 — электродвигатель вентилятора отопителя ваз 2107;
65 — выключатель наружного освещения;
66 — выключатель заднего противотуманного света;
67 — выключатель обогрева заднего стекла;
68 — плафон;
69 — задние фонари ваз 2107;
70 — фонари освещения номерного знака;
71 — датчик указателя уровня топлива;
72 — элемент обогрева заднего стекла.

