Принципиальная схема электрооборудования Шевроле Нива (Chevrolet Niva) с 2009 г.в.
Схема соединений переднего жгута проводов на Нива Шевроле
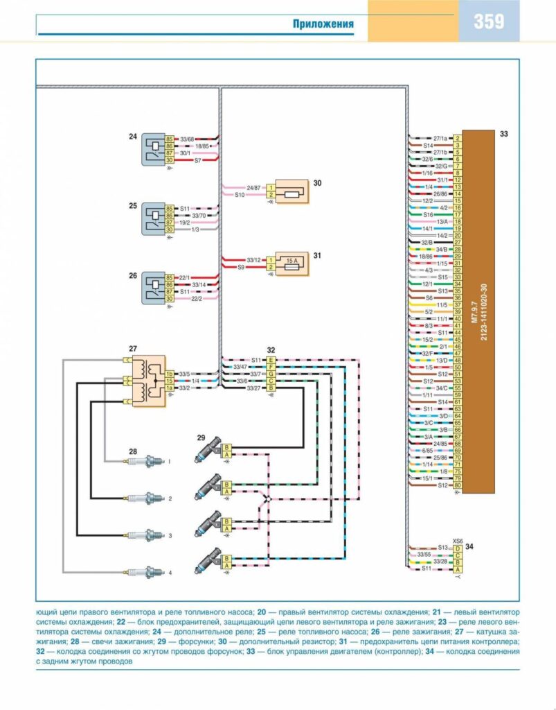
Электросхема соединений жгута проводов системы управления двигателем
Электросхема соединений жгута проводов панели приборов
Схема соединений заднего жгута проводов Шевроле Нива
Электросхема соединений жгутов проводов левой и правой передних дверей
Электросхема соединений жгутов левой и правой задних дверей, дополнительного жгута проводов двери багажного отделения, обогрева сидений на Chevrolet Niva
Контакты электрических разъемов Chevrolet Niva
Схема соединений монтажного блока предохранителей и реле Шевроле Нива
Нажмите, чтобы оценить эту статью!
(Голосов: 0 Рейтинг: 0)











