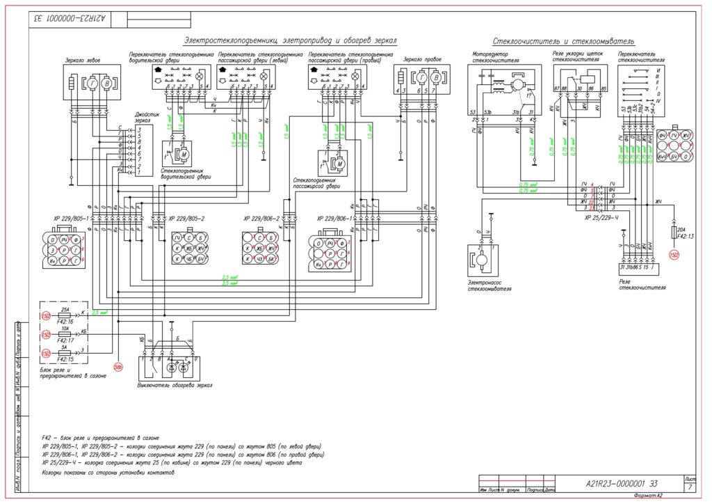
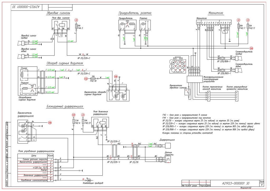
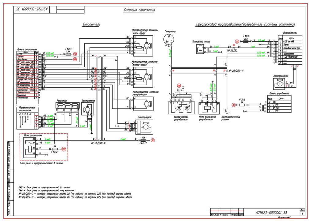
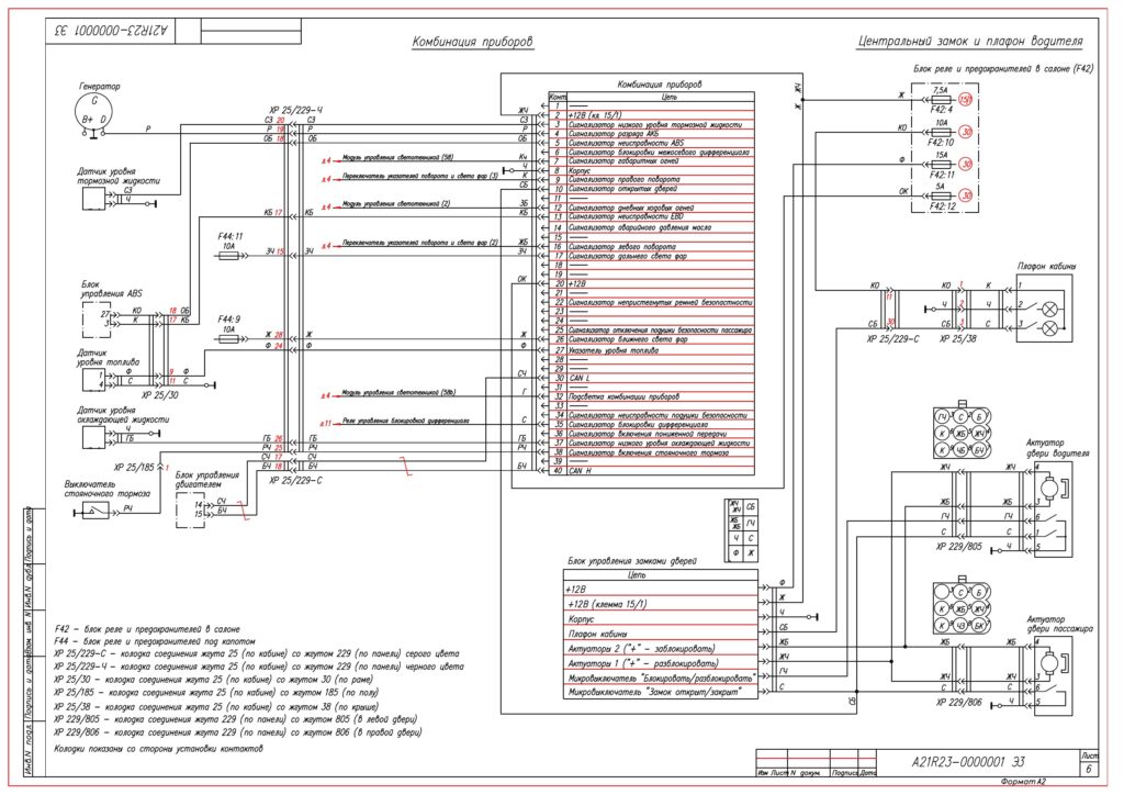
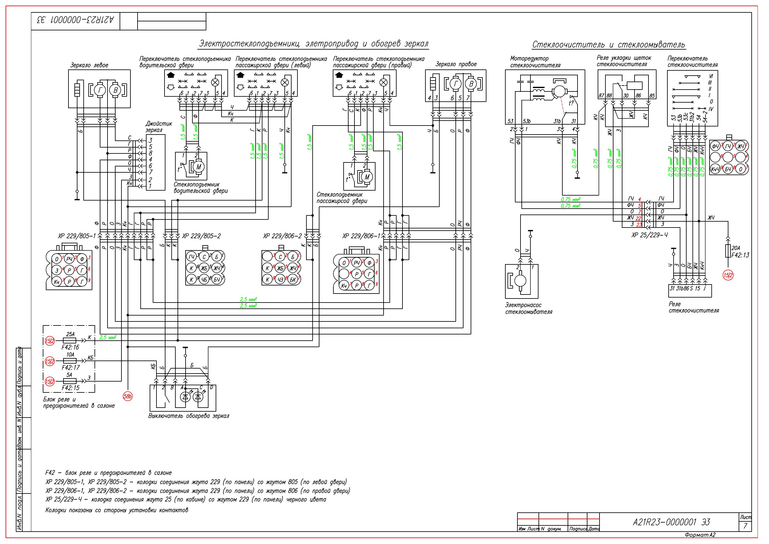
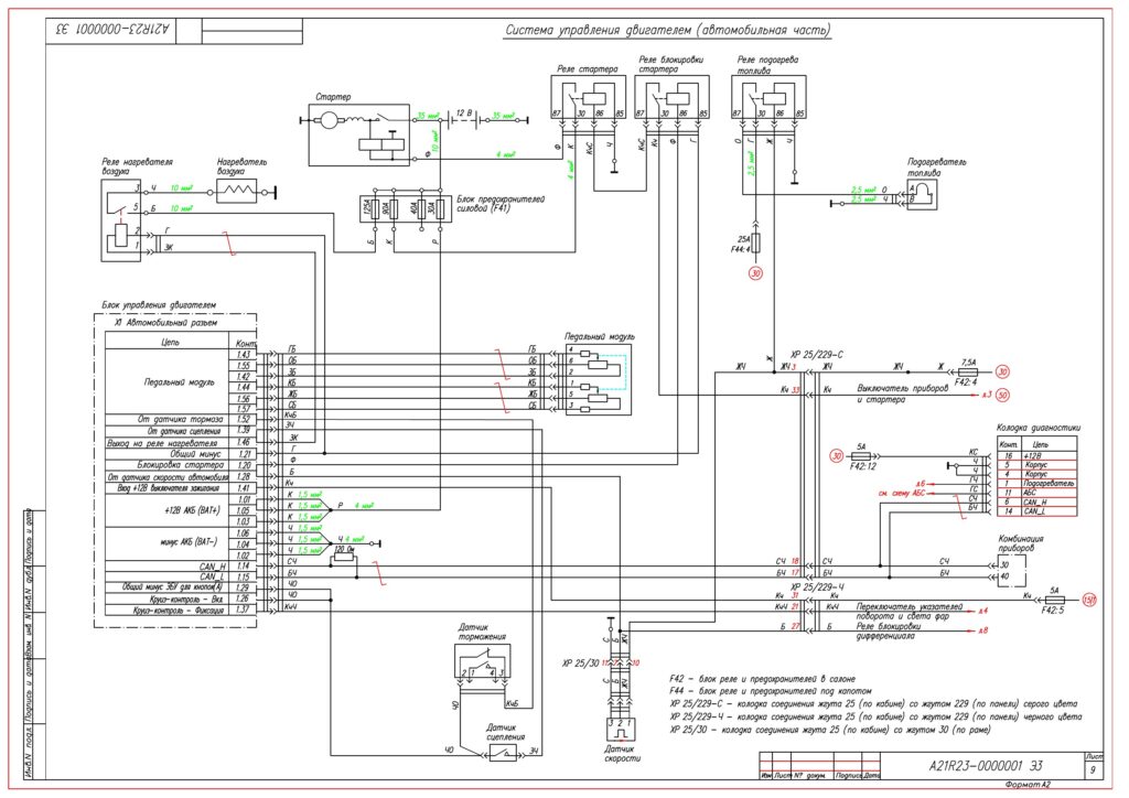
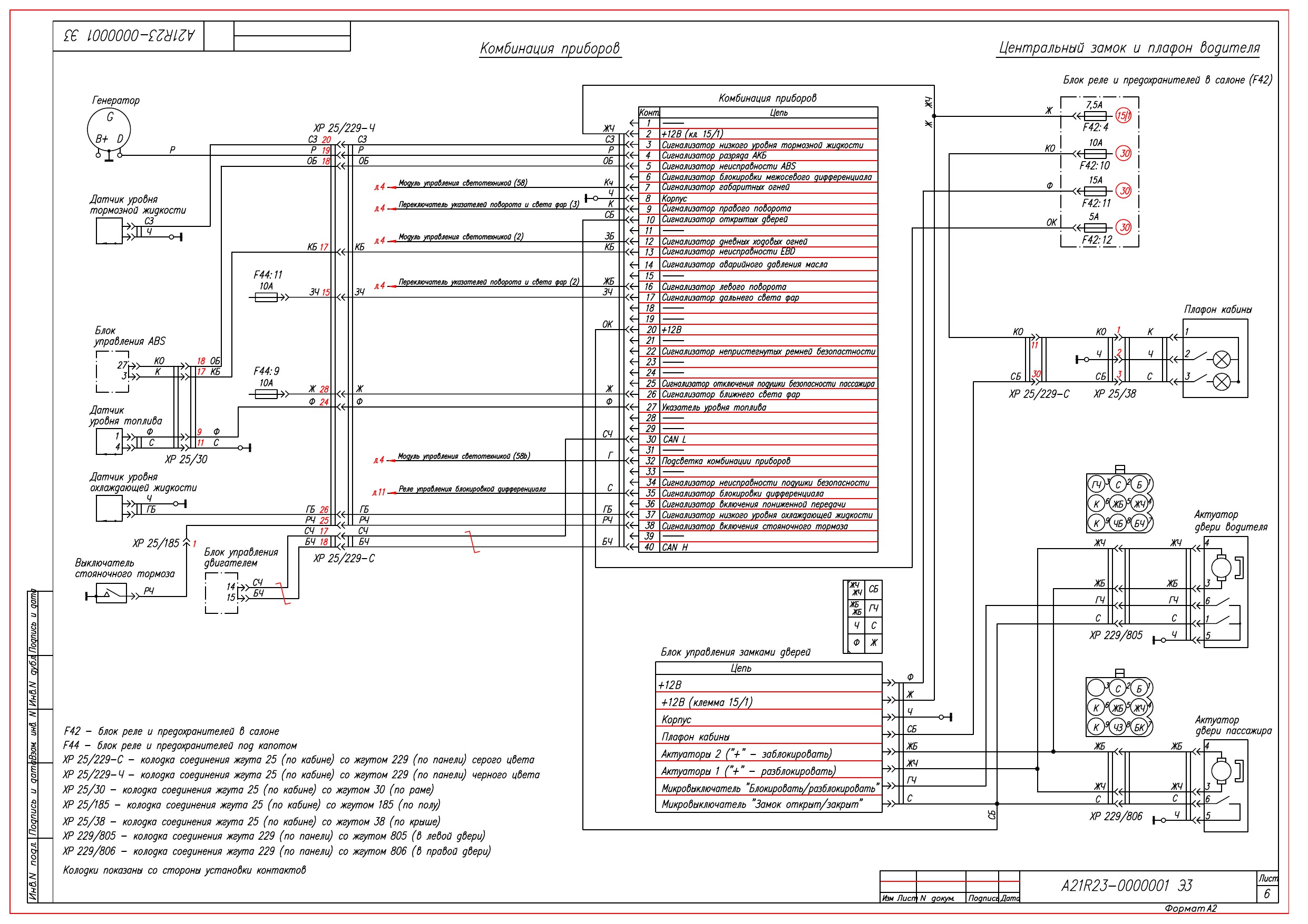
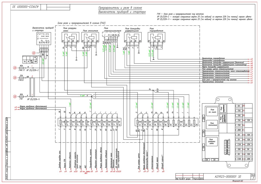
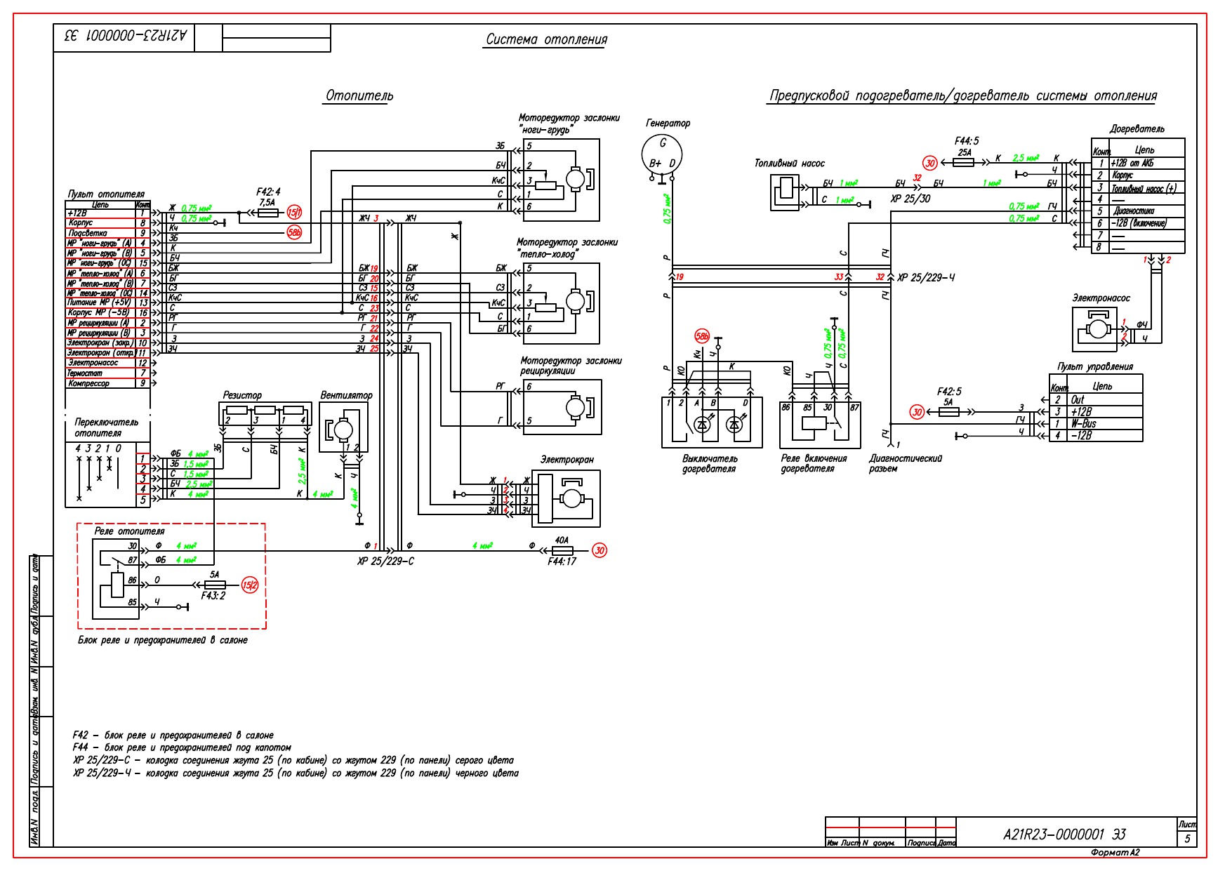
ГАЗ, УАЗЭлектросхемы автомобилейЭлектрическая схема автомобиля Газель Next Admin 09.01.2024 Сборник электросхем к различным модификациям автомобиля Газель Next 2013 – 2015 г.Принципиальная электрическая схема автомобиля Газель NEXTНажмите, чтобы оценить эту статью!(Голосов: 2 Рейтинг: 5) ГАЗ 0 КомментарииFacebookPinterestLinkedinViberEmail предыдущая статья Электрическая схема автомобиля Audi 100 следующая статья Электрическая схема автомобиля Mercedes-Benz Sprinter Читайте также Электрическая схема автомобиля Шевроле Нива Электрическая схема автомобиля ВАЗ 2105 Электрическая схема автомобиля Opel Vectra А Электрическая схема автомобиля Фольксваген Пассат B3 (Volkswagen Passat... Электрическая схема автомобиля ИЖ 2717, ИЖ 27171 (Ода) Электрическая схема автомобиля Hyundai Accent Электрическая схема автомобиля Daewoo Nexia Электрическая схема автомобиля ВАЗ 1111 (Ока) Электрическая схема автомобиля Peugeot 406 Электрическая схема автомобиля Mercedes-Benz Sprinter