Содержание
Электросхем для автомобиля Peugeot 406 1996-1999 года выпуска.
Электрические схемы на Пежо 406 — общие сведения
Системы запуска и зарядки. Вентиляторы радиатора
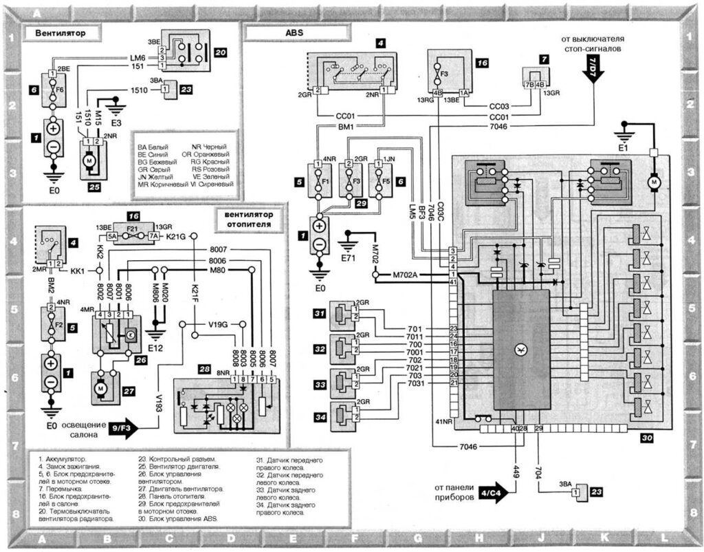
Вентилятор радиатора, вентилятор отопителя, ABS — электрическая схема
Схема контрольных лампочек и указателей
Схема системы управления двигателем Magneti Marelli MM8P на Пежо 406
Схема системы управления двигателем Bosch MP5.1.1 на Peugeot 406
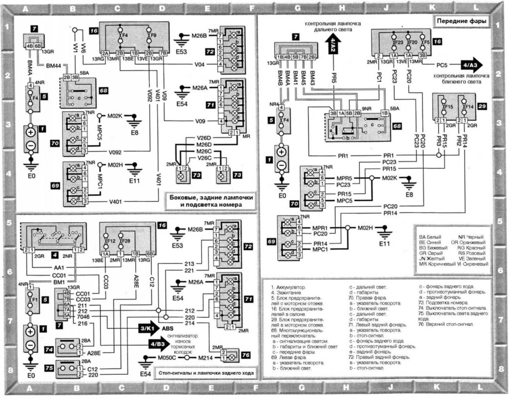
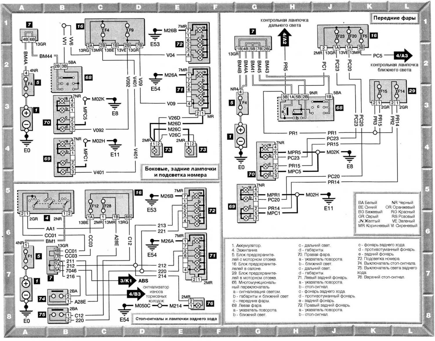
Передние фары, подсветка номера, стоп-сигналы, лампочки — электросхема
Указатели поворотов и аварийная сигнализация, противотуманный свет — схема на Пежо 406
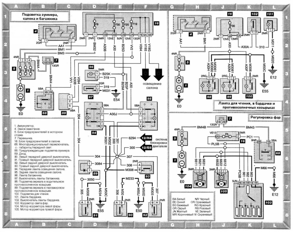
Внутренне освещение и регулировка фар — электрическая схема
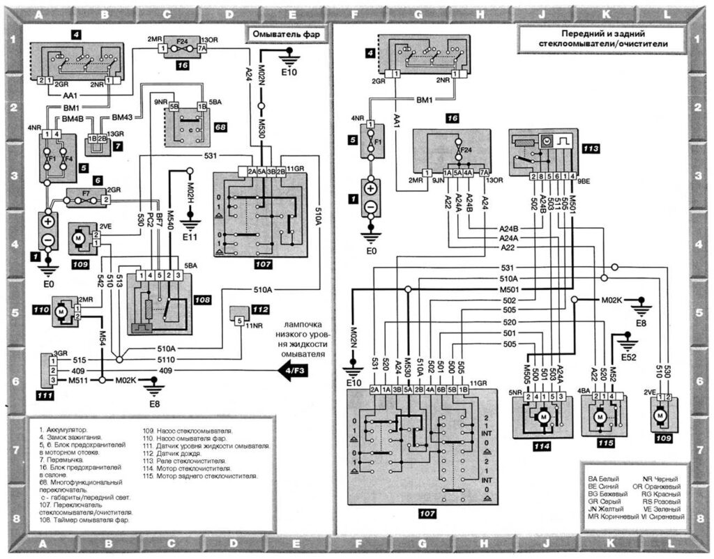
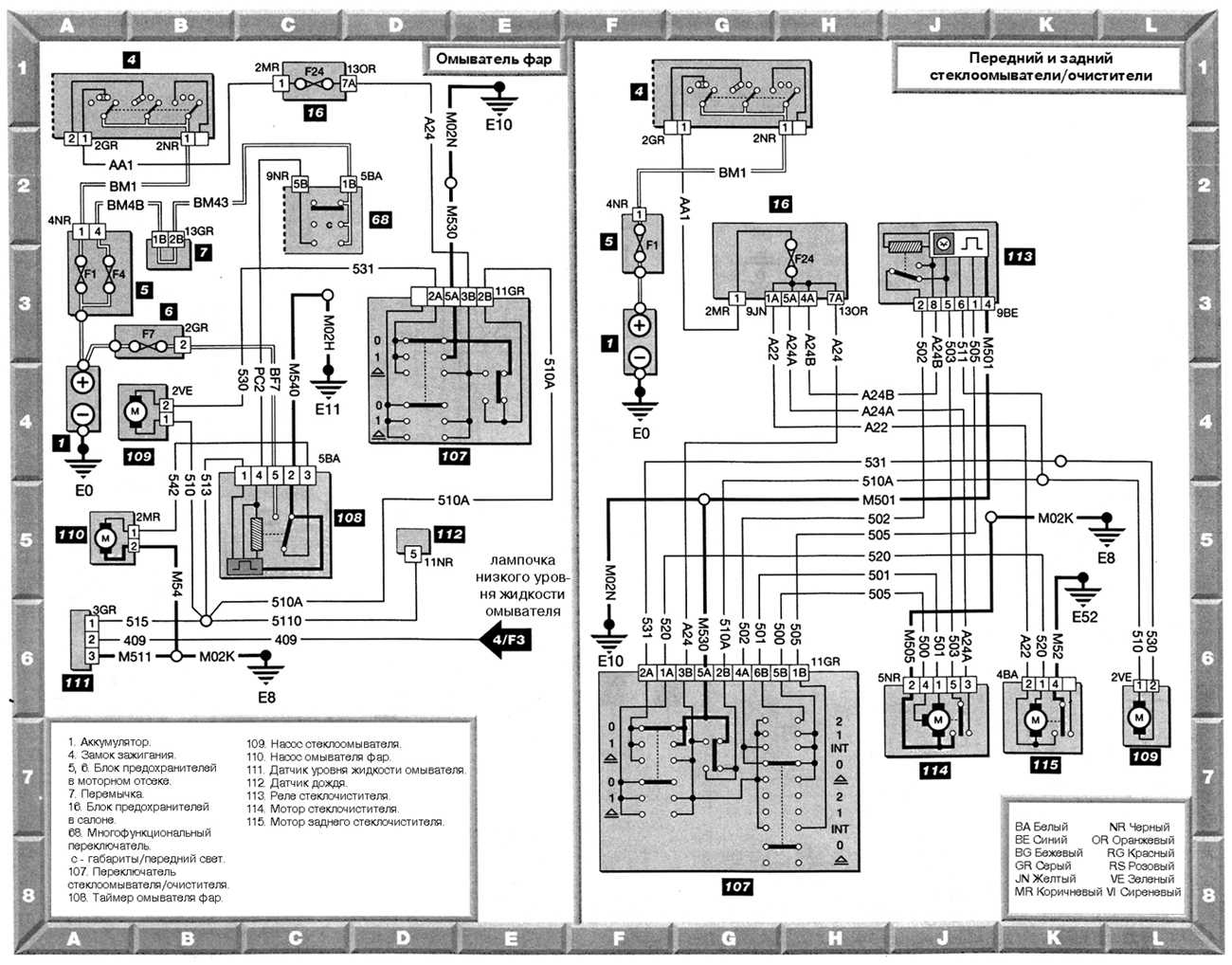
Омыватель фар, передние и задние стеклоомыватели / очистители
Электросхема подсветки прикуривателя, обогрева сидений, заднего стекла и зеркал, люка
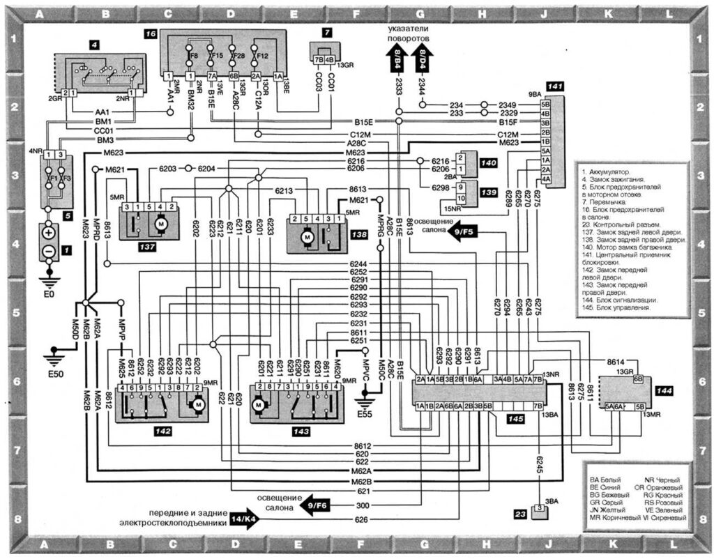
Схема системы блокировки двигателя на Peugeot 406
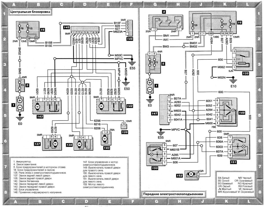
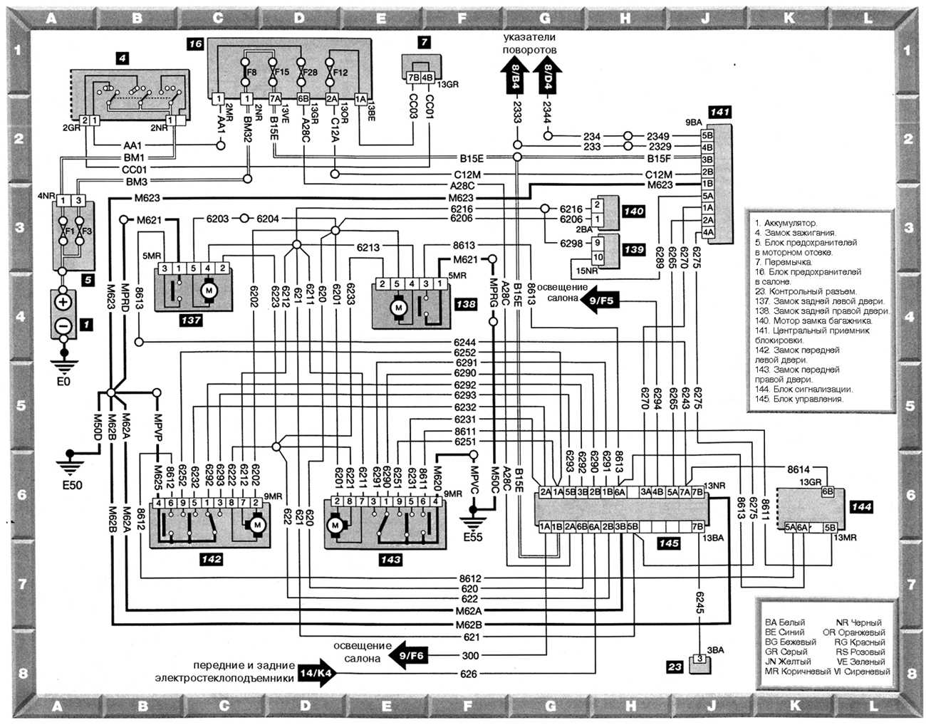
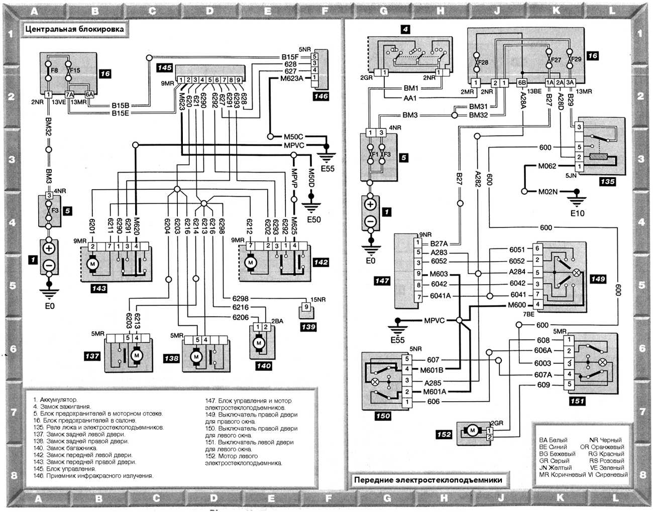
Центральная блокировка и передние электростеклоподъемники Peugeot 406
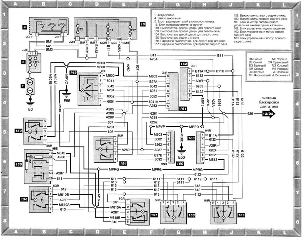
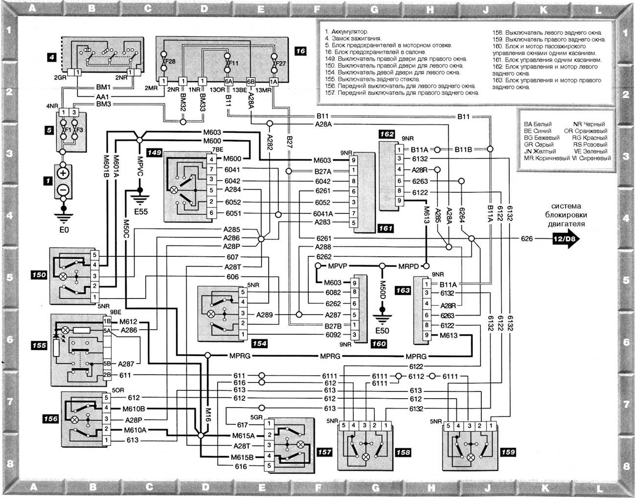
Передние и задние электростеклоподъемники — схема
Магнитола, CD-проигрыватель, часы и бортовой компьютер — электросхема

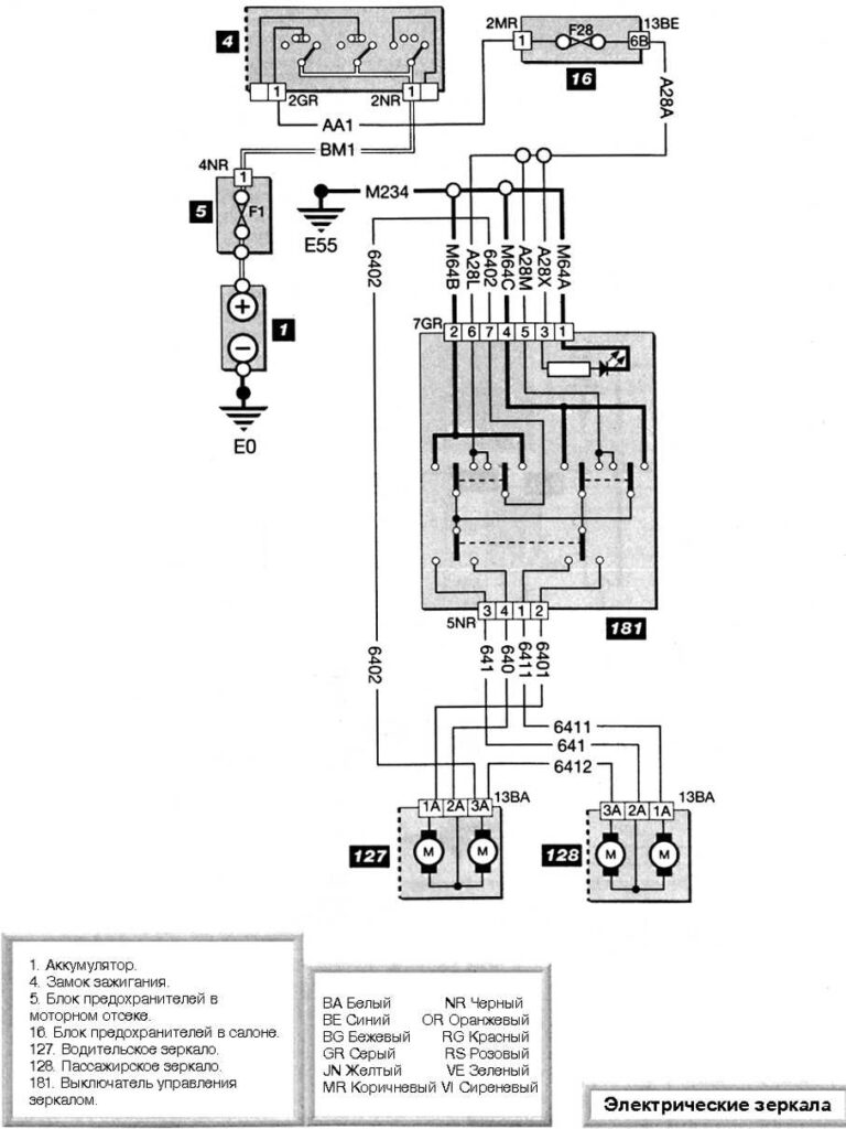
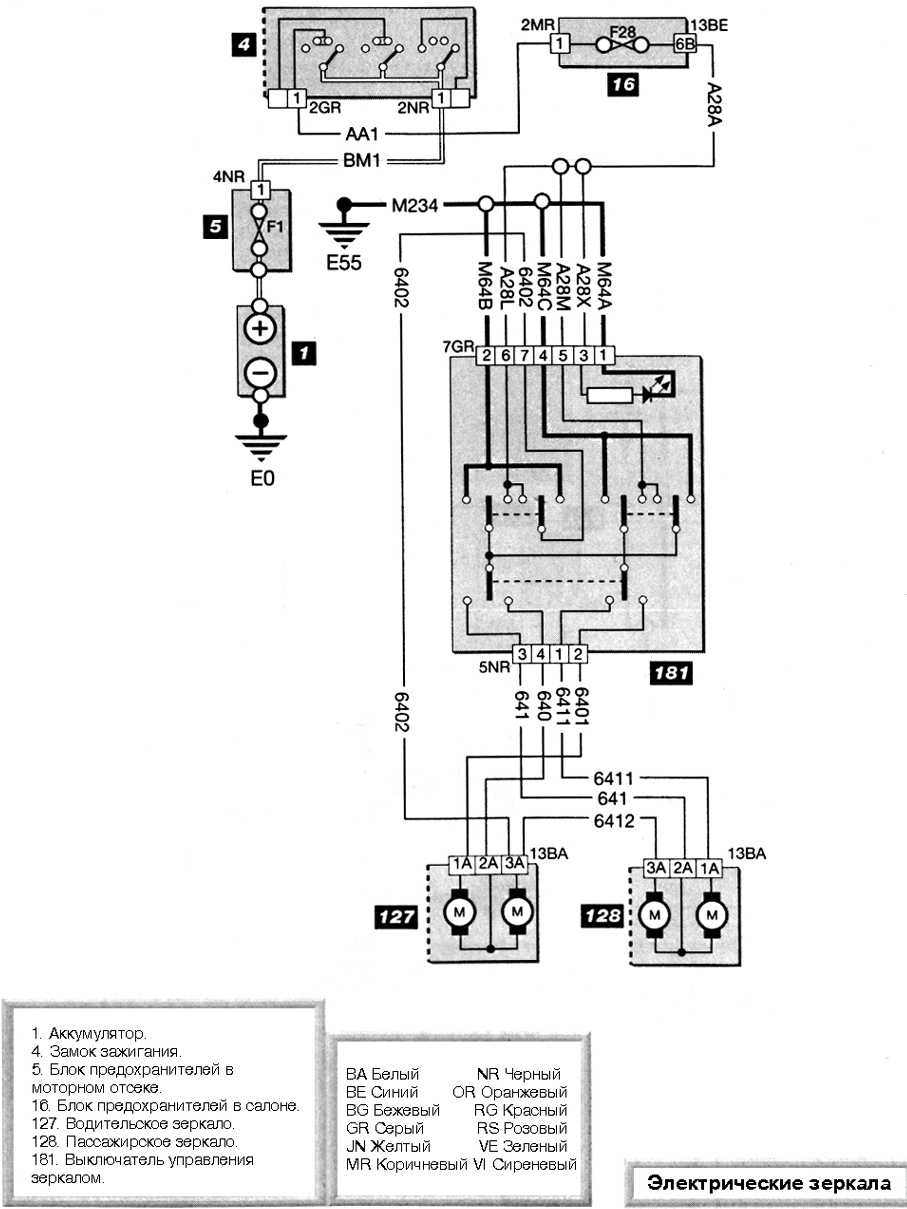
Электрические зеркала — схема на Peugeot 406
Нажмите, чтобы оценить эту статью!
(Голосов: 0 Рейтинг: 0)















