Содержание
Схема электрические для автомобиля Дэу Нексия (Daewoo Nexia) от 1994 г.в. и выше.
Электрическая схема — общие сведения для Дэу Нексия
Замок зажигания, стартер, генератор Daewoo Nexia
G1 Аккумуляторная батарея
М1 Стартер
S1 Замок зажигания
82 Выключатель “Стоянка/нейтраль”
Схема системы зажигания (ЭБУ типа IEFI-6) Daewoo Nexia
К1 ЭБУ
11 Катушка зажигания
Y1 Блок зажигания
Y2 Распределитель зажигания
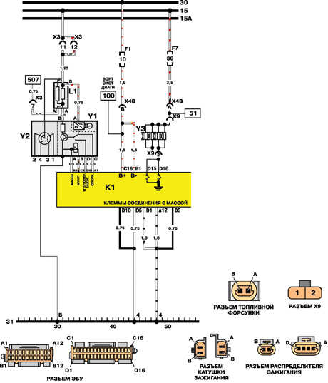
Электрическая схема топливных форсунков, питания и соединения с “массой” (ЭБУ типа IEFI-6)
К1 ЭБУ
Y3 Топливные форсунки
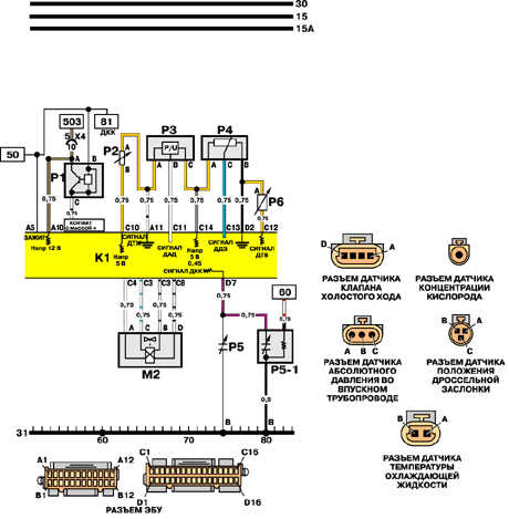
Датчики температуры, давления, скорости, заслонки, клапан ХХ (IEFI-6) – электрическая схема
К1 ЭБУ
М2 Клапан холостого хода (КХХ)
Р1 Датчик скорости автомобиля (ДСА)
Р2 Датчик температуры охлаждающей жидкости (ДТЖ)
РЗ Датчик абсолютного давления во впускном трубопроводе (ДАД)
ХЗ Разъем переключателя октан-корректора
Р4 Датчик положения дроссельной заслонки (ДДЗ)
Р5 Электропроводка датчика концентрации кислорода (ДКК)
Р5-1 Датчик концентрации кислорода (1,5-литровые двигатели типа DOCH)
Р5-2 СО-потенциометр (1,5-литровые двигатели с МСВТ)
Р6 Датчик температуры воздуха во впускном трубопроводе (ДТВ)
Схема системы диагностики, блокировки гидротрансформатора, топлива (IEFI-6)
К1 ЭБУ
МЗ Электродвигатель топливного насоса
S2 Выключатель “Стоянка/нейтраль”
S4 Реле давления масла
Х1 Разъем бортовой системы диагностики
Х2 Тестовый разъем топливного насоса
Электрическая схема системы зажигания, топливных форсунков (ЭБУ типа IEFI-S)
К1 ЭБУ
11 Катушка зажигания
Y1 Блок зажигания
Y2 Распределитель зажигания
Y3 Топливные форсунки
Схема БУ трансмиссией, противоугонного устройства, подушки безопасности на Daewoo Nexia
К18 БЛОК УПРАВЛЕНИЯ ТРАНСМИССИЕЙ
К19 БЛОК УПРАВЛЕНИЯ ПРОТИВОУГОННОГО УСТРОЙСТВА
К20 БЛОК УПРАВЛЕНИЯ ПОДУШКИ БЕЗОПАСНОСТИ
Р1 ДАТЧИК СКОРОСТИ АВТОМОБИЛЯ
R8 КАТУШКА-ДАТЧИК
R9 КОНТАКТНАЯ КАТУШКА
Датчики температуры, давления, скорости, заслонки, клапан ХХ (IEFI-S) — электрическая схема
К1 ЭБУ
М2 Клапан холостого хода (КХХ)
Р1 Датчик скорости автомобиля (ДСА)
Р2 Датчик температуры охлаждающей жидкости (ДТЖ)
РЗ Датчик абсолютного давления во впускном трубопроводе (ДАД)
Р4 Датчик положения дроссельной заслонки (ДДЗ)
Р5 Датчик концентрации кислорода (неэтилированный бензин)
Р5-1 Датчик концентрации кислорода (этилированный бензин)
Р5-2 СО-потенциомер (1,5-литровые двигатели с МСВТ)
Р6 Датчик температуры воздуха во впускном трубопроводе (ДТВ)
Противотуманные передние фары и задние фонари — схема на Дэу Нексия
Е5 Противотуманная передняя фара (левая)
Е6 Противотуманная передняя фара (правая)
Е7 Противотуманный задний фонарь (левый)
Е8 Противотуманный задний фонарь (правый)
К5 Реле противотуманных фар
57 Выключатель противотуманных передний фар
58 Выключатель противотуманных задних фонарей









