Содержание
Электросхема для (Renault Megane II) Рено Мэган 2.
Электросхема генератора и стартера Renault
Климатическая установка с автоматическим управлением
Дополнительный обогреватель в салоне – схема соединений
Электрообогреватель заднего стекла
Электросхема подогрева сидений Renault Megane II
Схема прикуривателя автомобиля
Звуковой сигнал – принципиальная схема Рено 2
Люк крыши с электроприводом
Стеклоочистители и стеклоомыватели
Электросхема диагностического разъема
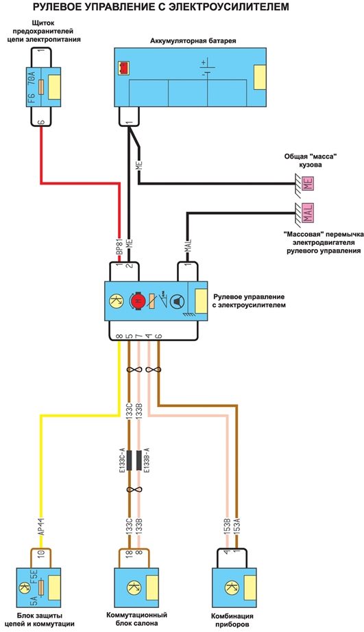
Рулевое управление с электроусилителем
Электросхема освещения салона и багажного отделения авто
Противотуманные фары
Нажмите, чтобы оценить эту статью!
(Голосов: 2 Рейтинг: 5)












