Содержание
Электросхема Audi A4 с 2000 года выпуска.
Электросхема блокировки переключений АТ
Автоматическая трансмиссия
Трансмиссия вариаторного типа (CVT)
Электронная система усиления рулевого привода
Схема сигнализатора износа тормозных колодок Audi A4
Схема системы антиблокировки тормозов (ABS)
Электросхема (SRS) Audi A4
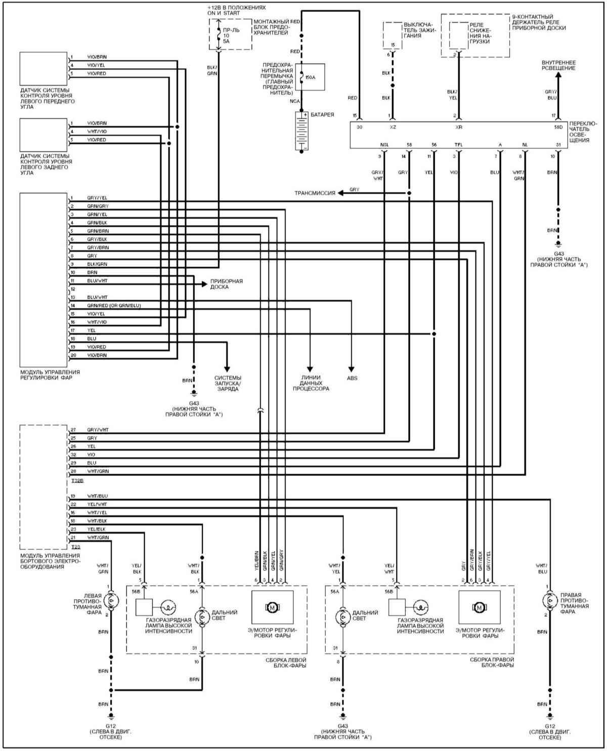
Фары с газоразрядными лампами
Фароомыватели
Электросхема обогрева сопел подачи омывающей жидкости
Нажмите, чтобы оценить эту статью!
(Голосов: 1 Рейтинг: 5)











