Содержание
Электросхема бортового оборудования автомобиля Kia Sportage.
Схема распределения питания Kia Sportage
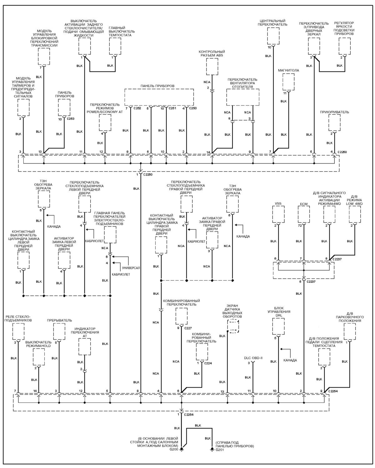
Схема распределение заземления Kia Sportage
Электросхема управления двигателем
Система запуска и заряда АКБ автомобиля Kia Sportage
Бортовой компьютер и линия данных
Комбинация приборов Киа Спортейдж

Электросхема автоматической трансмиссии авто
Нажмите, чтобы оценить эту статью!
(Голосов: 4 Рейтинг: 5)















