Содержание
Электросхема бортового оборудования автомобиля Киа Спортейдж.
Схема системы антиблокировки тормозов Киа Спортейдж
Темпостат – электросхема
Вентилятор конденсатора авто
Система отопления Киа Спортейдж
Электросхема системы кондиционирования воздуха
Наружное освещение автомобиля Киа
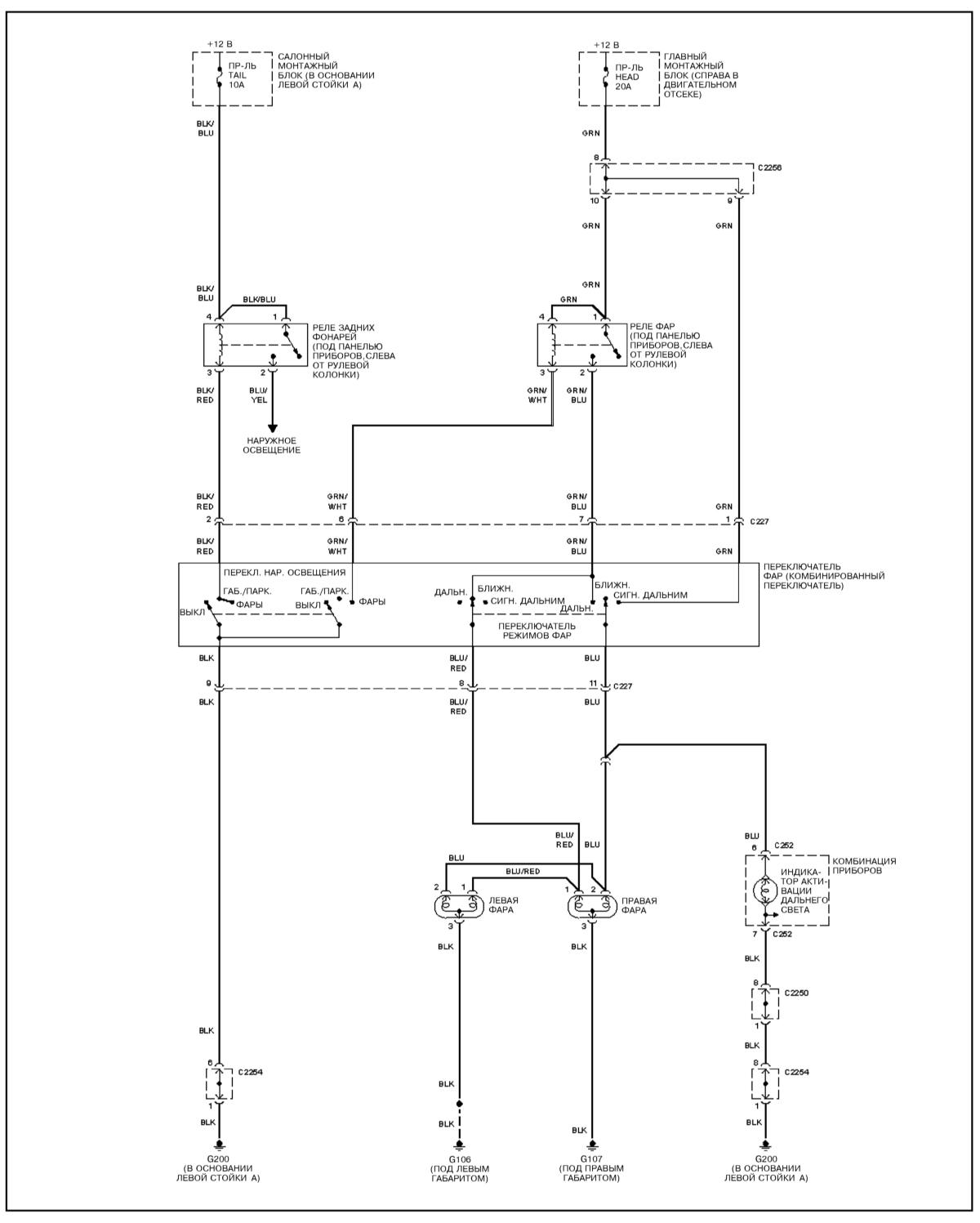
Головные фары Киа Спортейдж
Огни заднего хода
Схема подсветки приборов авто
Очистители и омыватели ветрового и заднего стекла
Схема электропривода дверных зеркал
Электросхема обогрева заднего стекла автомобиля
Схема системы дополнительной безопасности (SRS)
Электропривод стеклоподъемников автомобиля Киа Спортейдж
Нажмите, чтобы оценить эту статью!
(Голосов: 3 Рейтинг: 5)
















