Содержание
Схема электрооборудования на известную модель Hyundai Accent (Хендай Акцент).
Питание и блок предохранителей в моторном
Схема замка зажигания Хендай Акцент
Схема блока предохранителей и реле Hyundai Accent
Схема колодки диагностического разъема
Схема пуска двигателя Хендай Акцент
Соединение с корпусом 1
Соединение с корпусом 2
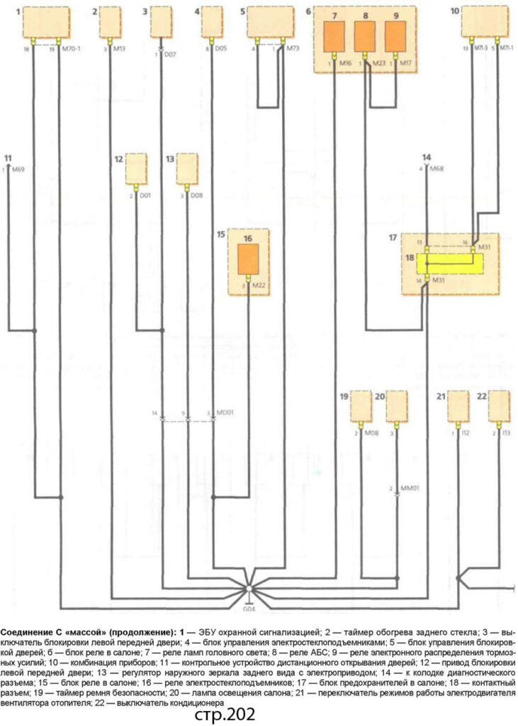
Соединение с корпусом 3
Соединение с корпусом 4
Схема генератора и системы охлаждения
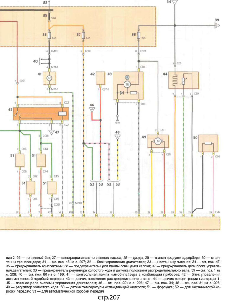
Система управления двигателем Hyundai Accent
Система управления двигателем Hyundai Accent (продолжение)
Система определения скорости автомобиля и система зажигания
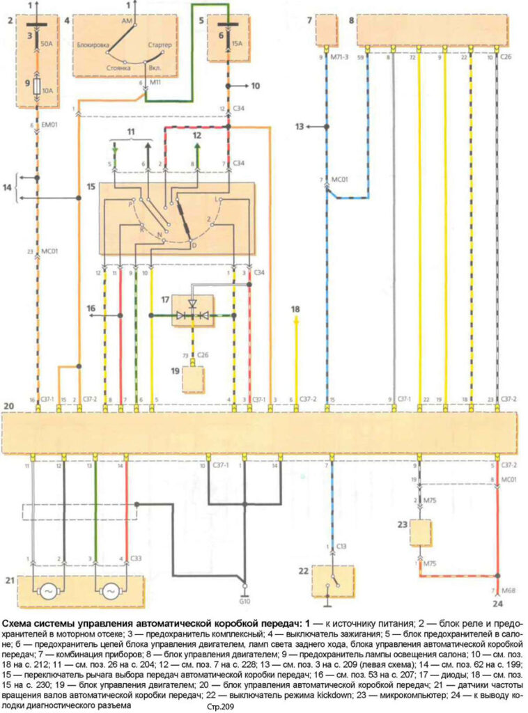
Система управления автоматической коробкой передач Hyundai Accent
Система управления автоматической коробкой передач Hyundai Accent (продолжение)
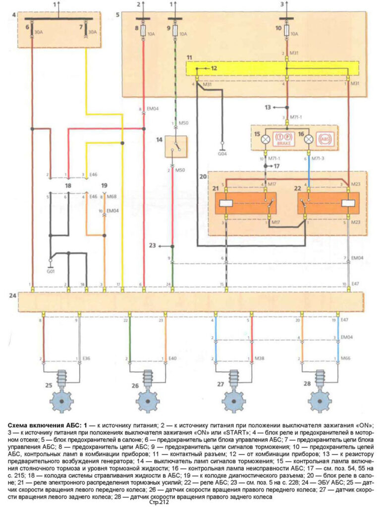
Схема включение АВС Хендай Акцент
Контрольные указатели – Хендай Акцент
Контрольные указатели (продолжение) – Хендай Акцент
Схема включения очистителя и омывателя ветрового стекла
Схема включения привода блокировки дверей
Схема включения электростеклоподъемников
Схема включения электростеклоподъемников (продолжение)
Схема включения электропривода наружных зеркал Hyundai Accent
Схема включения наружного освещения Хендай Акцент
Схема включения регулятора направления лучей света фар
Система звуковоспроизведения
Схема включения звукового сигнала
Схема включения указателей поворота и аварийной сигнализиции
Габаритный свет и освещение номерного знака
Противотуманный свет в задних фонарях
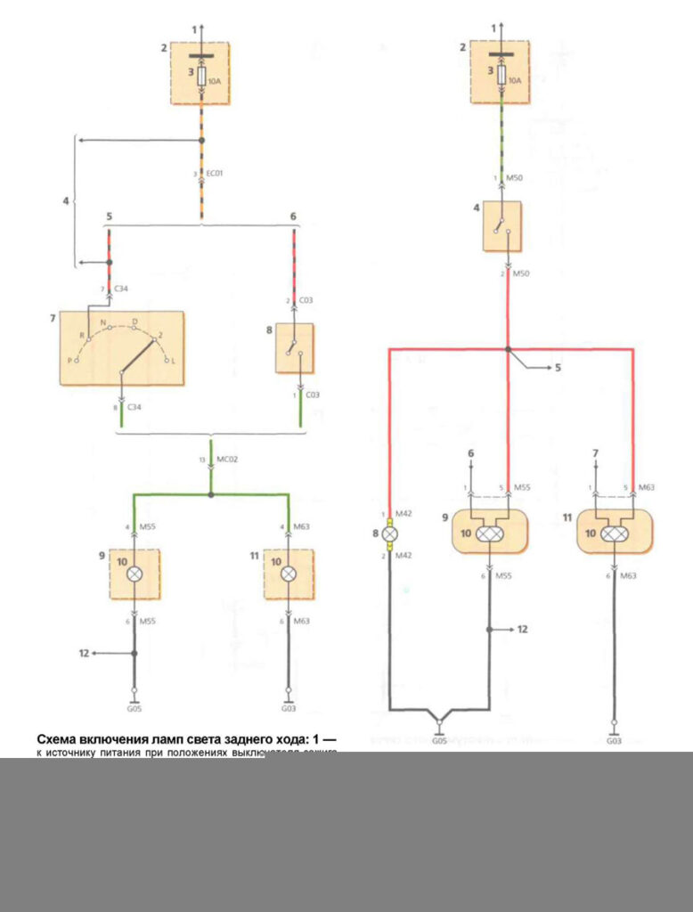
Свет заднего хода и сигналы торможения
Лампы освещения салона и подсветка багажника
Схема включения вентиляции, отопления и кондицианирования Хендай Акцент
Расположение жгутов проводов Hyundai Accent
Нажмите, чтобы оценить эту статью!
(Голосов: 0 Рейтинг: 0)

































