Содержание
Электросхема для автомобиля BMW 3-й серии (E46). Схема в хорошем качестве и на русском языке. Представленны схемы таких модулей, как система заряда, управления двигателем, модуль бортового процессора, система антиблокировки тормозов и другие.
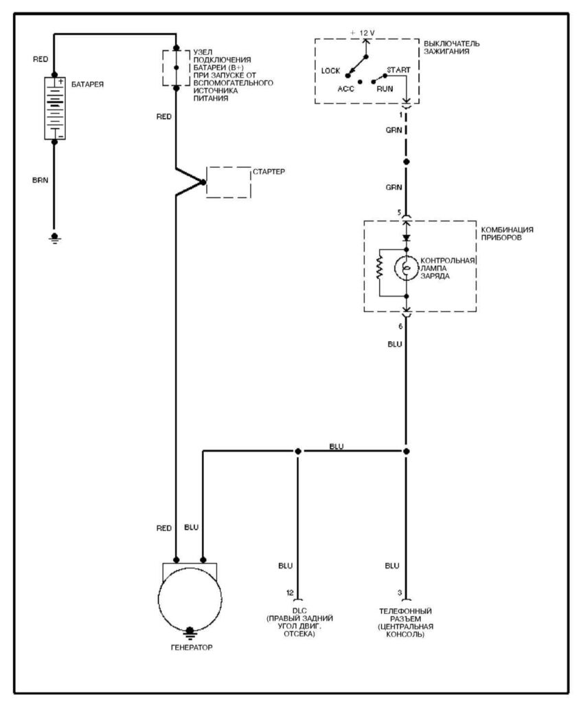
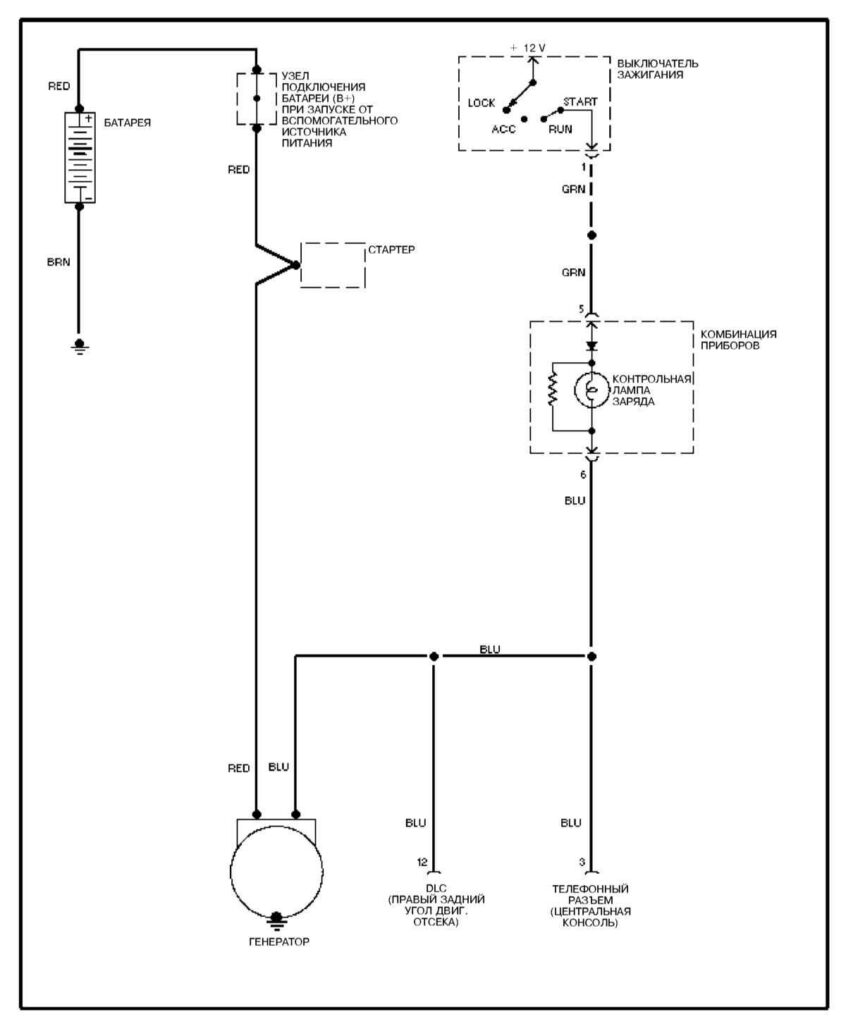
Здесь можно посмотреть Электросхема заряда BMW 3
Электросхема запуска
Система управления двигателем
Схема бортового процессора BMW
Вентилятор системы охлаждения
Система антиблокировки тормозов BMW3
Блокировка переключения передач автомобиля
Электросхема модуля управления скоростью
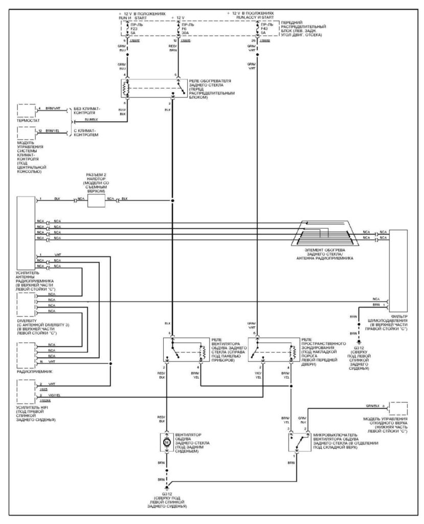
Обогреватели стекол BMW 3
Огни заднего хода BMW 3
Наружные осветительные приборы автомобиля
Головные фары авто
Комбинация приборов BMW 3
Нажмите, чтобы оценить эту статью!
(Голосов: 0 Рейтинг: 0)














