Содержание
Электросхем для автомобиля BMW3 E46, с 1998 года выпуска.
Электросхема омывателей стекла
Парковочная вентиляция автомобиля
Схема системы отопления и кондиционирования воздуха с ручным управлением

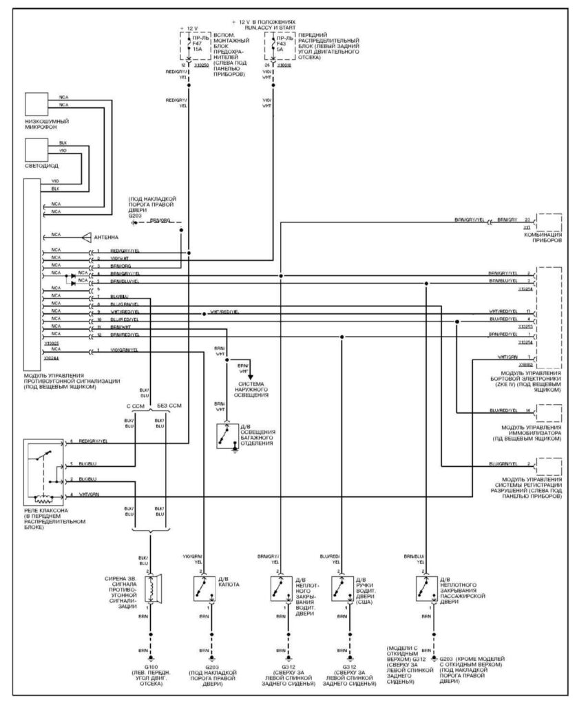
Схема сигнализации автомобиля BMW3
Радиоприемник (три модификации) BMW3
Схемы электрооборудования – используемые сокращения и их расшифровка

Нажмите, чтобы оценить эту статью!
(Голосов: 1 Рейтинг: 5)





