Содержание
Электрические схемы автомобиля (Nissan Qashqai) Ниссан Кашкай с 2007 г и Ниссан Кашкай +2 с 2008 г.
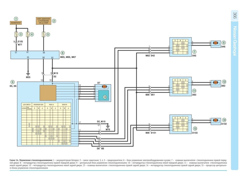
Схема управления стеклоподъёмниками Nissan Qashqai
Управление дверными замками с электроприводом
Система доступа в автомобиль без ключей – схема электрическая
Система автоматического освещения авто Ниссан
Освещение с ксеноновыми фарами – подключение
Система освещения в дневное время
Указатели поворотов и автосигнализация Nissan Qashqai
Схема фонарей номерного знака и стоянки
Стоп-сигналы и фары заднего хода
Противотуманки авто
Управление плафонами освещения
Схема стеклоочистителя ветрового стекла
Обогрев стёкол и звуковой сигнал авто
Аудиосистема Ниссан Кашкай – подключение АС
Нажмите, чтобы оценить эту статью!
(Голосов: 10 Рейтинг: 4.9)

















