Схема электрические для автомобиля Дэу Матиз.
Электросхема пуска двигателя и соединений генератора
Схема нумерации контактов в электроразьмах
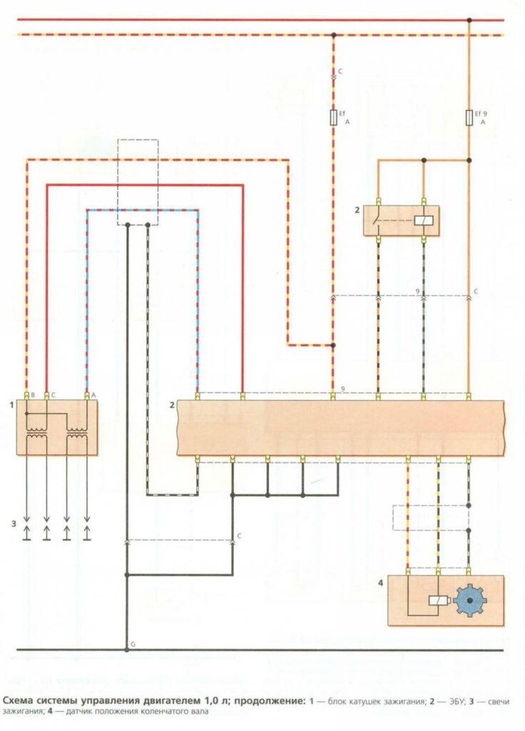
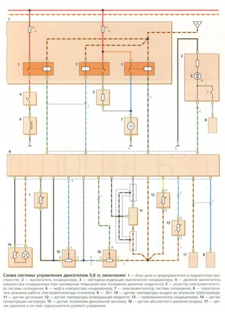
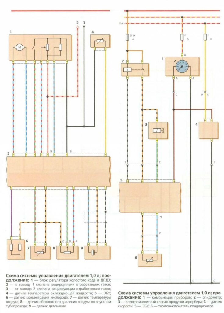
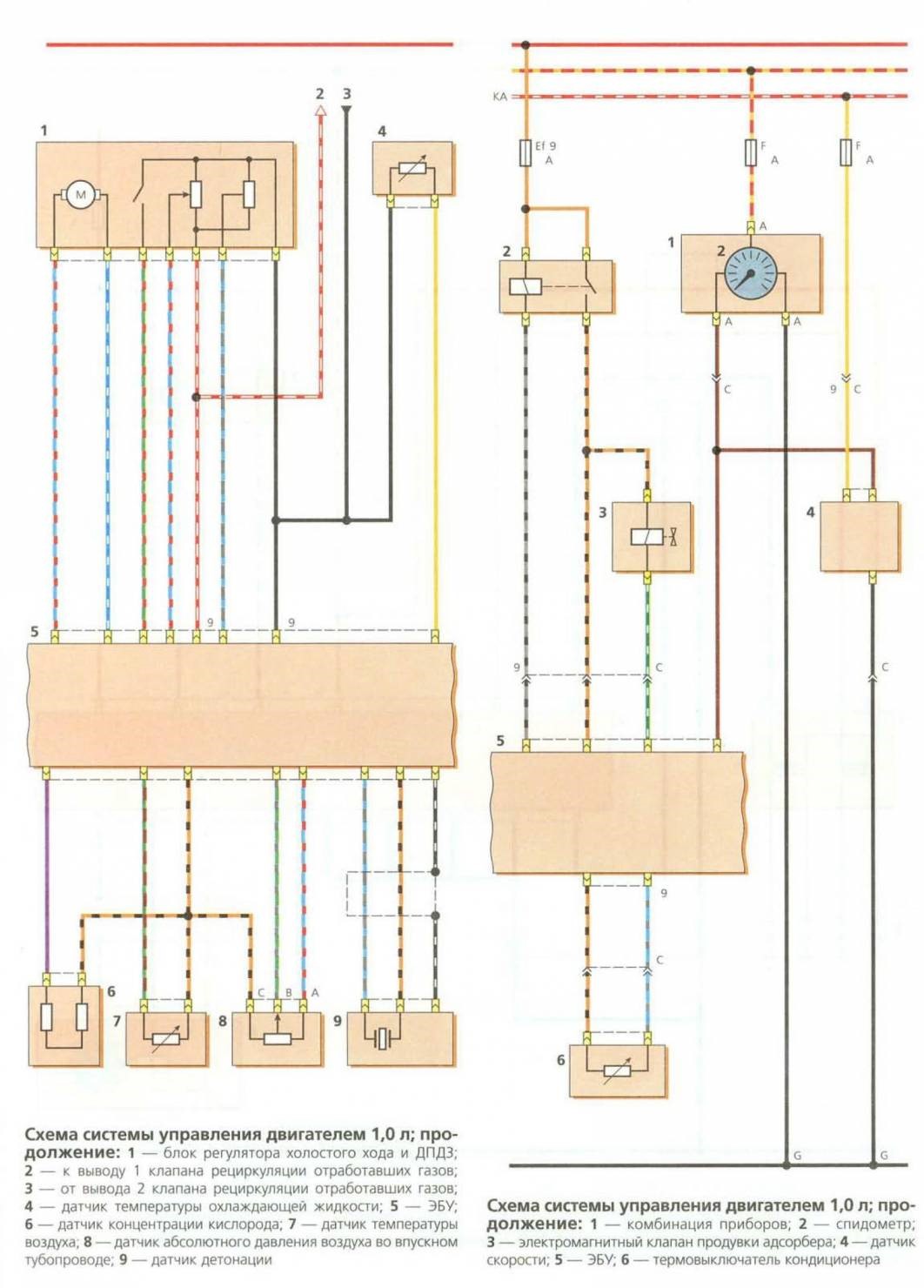
Электросхема управления двигателем
Схема заряда аккумуляторной батареи Дэу Матиз
Схема схема включения света лампы заднего хода, сигналов торможения, габаритного света и фонарей освещения заднего хода
Схема содинения блока реле и предохранителей в межкапотном пространстве
Электросхема содинений комбинации приборов Daewoo Matiz
Электросхема включения фар
Нажмите, чтобы оценить эту статью!
(Голосов: 0 Рейтинг: 0)



















