Содержание
Электросхем для автомобиля BMW 5.
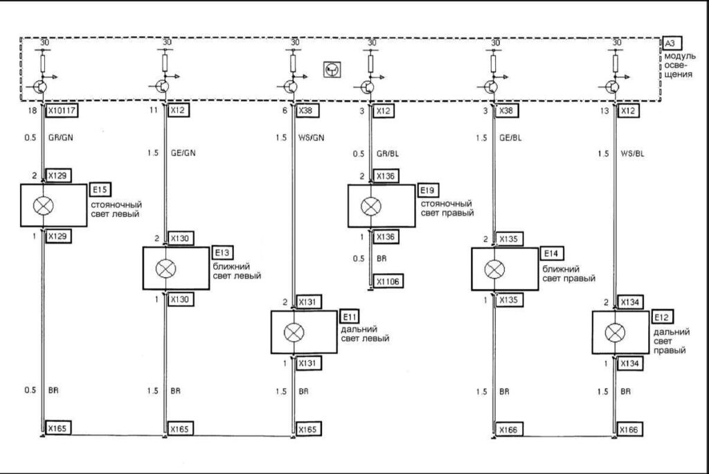
Световые приборы передние
Противотуманные фары BMW 5
Электросхема регулировки дальности света BMW 5
Указатель поворота
Задние фонари автомобиля
Стоп-сигнал
Фонари освещения номерного знака
Заднее освещение внутреннее
Розетка зарядки, освещение ящика
Питание CD
Система управления двигателем и разъем блока управления
Электросхема коммутации диагностического разъема
Схемы электрооборудования
Нажмите, чтобы оценить эту статью!
(Голосов: 1 Рейтинг: 5)













