Электросхема бортового оборудования автомобиля Toyota Corolla 120 (Тойота Королла) 2000-2006 г.в. Типовая схема электрооборудования, на примере модели Тойота Королла.
Электрические схемы Тойота Королла
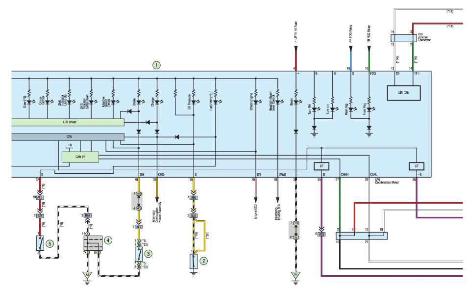
Комбинация приборов Тойота королла:
1 – предохранитель 10 А;
2 – предохранитель 7,5 А;
3 – комбинация приборов;
4 – датчик аварийного падения уровня масла;
5 – датчик температуры воздуха; 6 топливный насос.
Комбинация приборов:
1 – комбинация приборов;
2 – датчик аварийного падения давления масла;
3 – датчик аварийного падения уровня тормозной жидкости;
4 – диагностический разъем;
5 – датчик аварийного падения давления в системе питания.
Комбинация приборов:
1 – диагностический разъем;
2 – ЭБУ уровня света фар;
3 – ЭБУ роботизированной коробки передач;
4 – датчик указателя температуры охлаждающей жидкости;
5 – датчик положения коленчатого вала;
00 б – ЭБУ двигателя;
7 – модуль аудиосистемы;
8 – реле очистителя ветрового стекла;
9 – выключатель стояночного тормоза.
Схема 1г. Комбинация приборов:
1 – реле;
2 – датчик положения коленчатого вала;
3 – ЭБУ двигателя;
4 – блок управления ABS.
Схема 2a. Аудиосистема Тойота королла:
1 – предохранитель 10 A;
2 – предохранитель 7,5 A;
3 – динамик левый задний;
4 – динамик правый задний;
5 – головное устройство аудиосистемы;
6 – низкочастотный динамик правый передний;
7 – динамик правый передний;
8 – низкочастотный динамик левый передний;
9 – динамик левый передний.
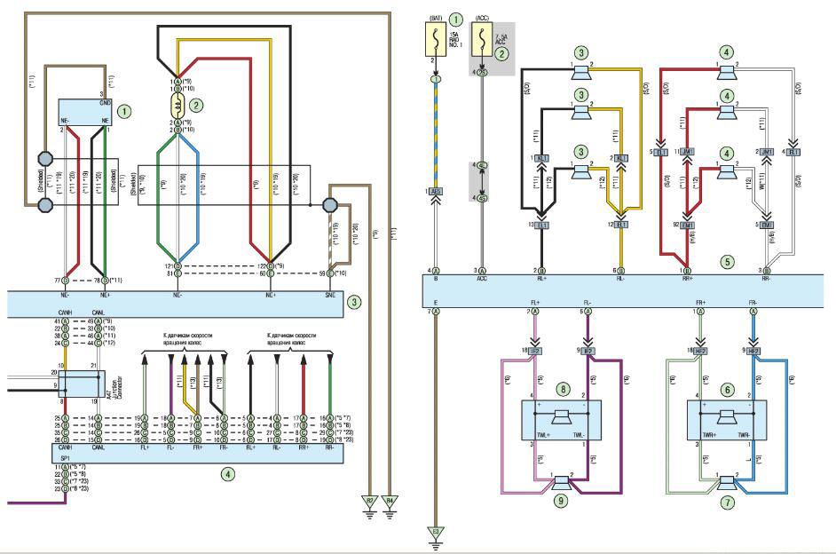
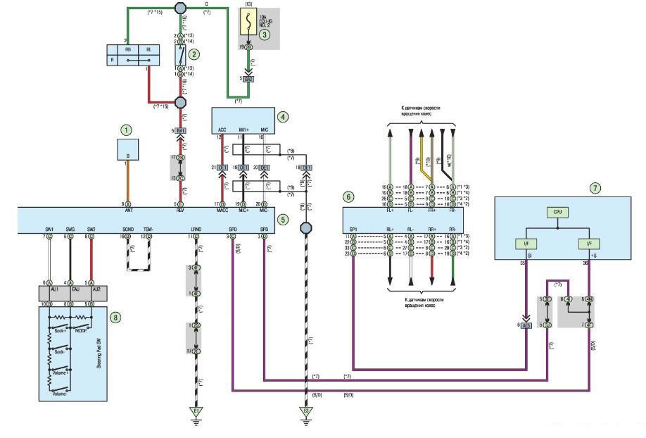
Аудиосистема:
1 – усилитель антенны;
2 – переключатель света заднего хода;
3 – предохранитель 10 А;
4 – блок громкоговорящей связи для телефона;
5 – головное устройство аудиосистемы;
б – блок управления ABS;
7 комбинация приборов;
8 – переключатель режимов аудиосистемы на рулевом колесе.
Автоматический корректор света фар Тойота королла:
1 – предохранитель 10 А;
2 – плавкая вставка 50 А;
3 – реле;
4 – диагностический разъем;
5 – блок управления ABS;
6 – предохранитель 10 А;
7 – предохранитель 7,5 А;
8 – комбинация приборов;
9 – блок управления автоматическим корректором света фар;
10 – датчик положения света фар;
11 – электропривод корректора света правой фары;
12 – электропривод корректора света левой фары.
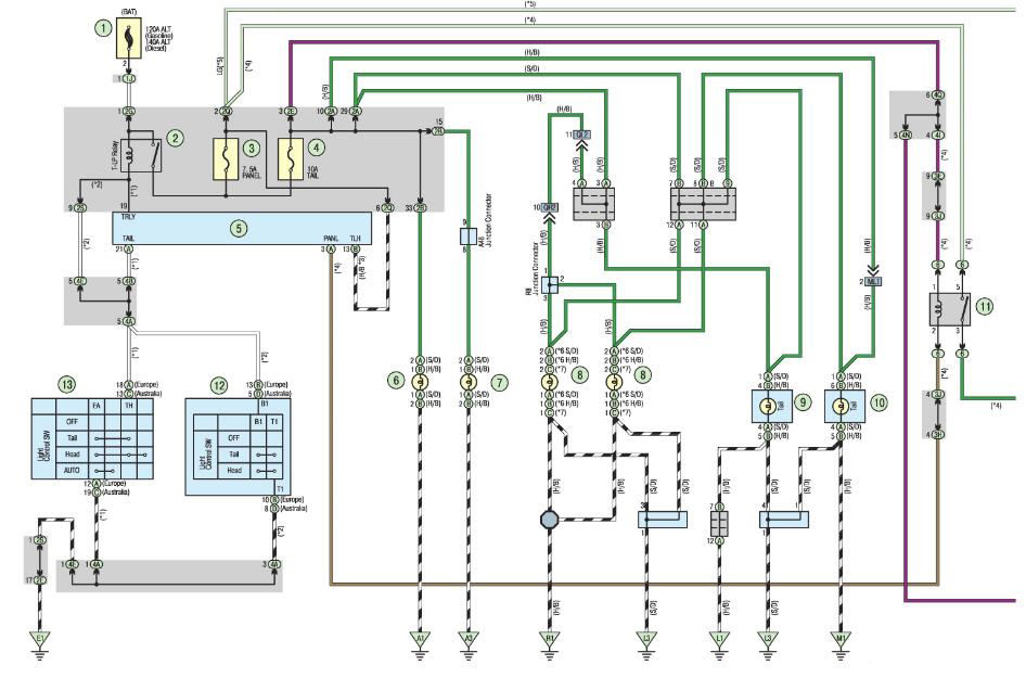
Задние фонари Тойота королла:
1 – плавкая вставка 120 А;
2 – реле;
3 – предохранитель 7,5 А;
4 – предохранитель 10 А;
5 – ЭБУ электрооборудования кузова;
6 – лампа габаритного огня левая;
7 – лампа габаритного огня правая;
8 – лампа ос- 00 вещения номерного знака;
9 – лампа фонаря света заднего хода;
10 – лампа заднего противотуманного фонаря;
11 – реле включения габаритного огня;
12, 13 – левый подрулевой переключатель.
Задние фонари Тойота королла:
1 – датчик света заднего хода;
2 – левый подрулевой переключатель;
3 – обогрев сидений;
4 – переключатель габаритного огня;
5 – переключатель фар;
б – питание головного устройства аудиосистемы;
7 – ЭБУ электрооборудования кузова;
8 – блок управления ABS;
9 – контроллер обогрева передних сидений;
10 – аварийная сигнализация;
11 – лампа плафона внутреннего освещения салона.
Задние фонари Тойота королла:
1 – омыватель фар;
2 – блок управления отоплением;
3 – выключатель головного устройства аудиосистемы;
4 – прикуриватель;
5 – датчик атмосферного давления воздуха;
6 – предохранитель 10 А;
7 – предохра- CD нитель 7,5 А;
8 – комбинация приборов.
Передние противотуманные фары Тойота королла:
1 – предохранитель 15 А;
2, 4 – реле;
3 – предохранитель 10 А;
5 – ЭБУ электрооборудования кузова;
б – плавкая вставка 120 А;
7 – левый подрулевой переключатель;
8 – комбинация приборов;
9 – левая передняя противотуманная лампа;
10 – правая передняя противотуманная лампа.
Система центральной блокировки замков Тойота королла:
1, 2 – предохранитель 10 А;
3 – предохранитель 7,5 А;
4 – предохранитель 25 А;
5 – ЭБУ электрооборудования кузова;
6 – датчик разблокирования двери;
7 – выключатель освещения CD проема левой передней двери;
8 – модуль замка крышки багажника;
9 – модуль замка правой передней двери.
Система центральной блокировки замков Тойота королла:
1 – ЭБУ электрооборудования кузова;
2 – модуль замка правой задней двери;
3 – модуль замка левой задней двери;
4 – модуль замка левой передней двери;
5 – блок управления центральной блокировкой замков.
Схема 7а. Блок-фары без системы автоматического управления освещением Тойота королла:
1 – плавкая вставка 50 А;
2 – реле включения газоразрядных ламп (в вариантном исполнении);
3 – реле включения гало-геновых ламп;
4 – предохранители 10 А;
5 – предохранитель 15 А;
6 – блок газоразрядной лампы (в вариантном исполнении);
7 – лампа ближнего света (галогеновая);
8 – лампа дальнего света.
Блок-фары без системы автоматического управления освещением Тойота королла:
1 – предохранители 10 А;
2 – предохранитель 7,5 А;
3 – предохранитель 25 А;
4 – ЭБУ электрооборудования кузова;
5 – левый подрулевой переключатель;
CD б – комбинация приборов.
Указатели поворота и аварийная сигнализация Тойота королла:
1 – предохранитель 10 А;
2 – реле выключателя аварийной сигнализации;
3 – левый подрулевой переключатель;
4 – выключатель аварийной сигнализации;
5 – левая передняя лампа указателя поворота;
6 – левый повторитель указателя поворота;
7 – правая передняя лампа указателя поворота;
8 – правый повторитель указателя поворота;
9 – правая задняя лампа указателя поворота;
10 – левая задняя лампа указателя поворота;
11 – комбинация приборов.
Стоп-сигнал Тойота королла:
1 – предохранитель 10 А;
2 – выключатель лампы стоп-сигнала;
3, 6 – дополнительный стоп-сигнал;
4 – помехоподавляющий фильтр;
5 – левый стоп-сигнал;
7 – правый стоп-сигнал.
Свет заднего хода Тойота королла:
1 – предохранитель 10 А;
2 – рычаг селектора управления АКП;
3 – выключатель ламп света заднего хода;
4 – дополнительный правый фонарь света заднего хода;
5 – дополнительный левый фонарь света заднего хода;
б – левый фонарь света заднего хода;
7 – правый фонарь света заднего хода.
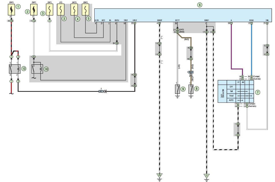
Освещение салона Тойота королла:
1 – предохранитель 10 А;
2 – предохранитель 7,5 А;
3 – предохранитель 25 А;
4 – ЭБУ электрооборудования кузова;
5 – предохранитель 10 А;
б – плафон внутреннего освещения салона;
7 – лампа индивидуального освещения (за солнцезащитным козырьком);
8 – лампа индивидуального освещения места водителя;
9 – лампа индивидуального освещения места переднего пассажира;
10 – подсветка выключателя (замка) зажигания;
11 – диод;
12 – выключатель лампы индивидуального освещения места водителя;
13 – выключатель лампы индивидуального освещения места переднего пассажира;
14 – лампа освещения багажного отделения;
15 – лампы освещения номерного знака;
16 – выключатель (замок) зажигания;
17 – выключатель освещения при открывании двери;
18 – выключатель освещения багажного отделения.
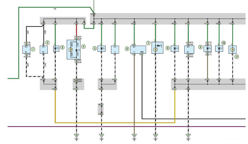
Освещение салона Тойота королла:
1 – ЭБУ электрооборудования кузова;
2 – выключатель освещения проема левой передней двери;
3 – выключатель освещения проема правой передней двери;
4 – выключатель освещения проема правой задней двери;
5 – выключатель освещения проема левой задней двери;
6 – выключатель оповещения о невыключенном освещении;
7 – блок системы охраны автомобиля;
8 – блок контроля дверей системы охраны автомобиля;
9 – предохранитель 10 А;
10 – модуль замка правой передней двери;
11 – модуль замка левой передней двери;
12 – модуль замка правой задней двери;
13 – модуль замка левой задней двери;
14 – антенна системы охраны автомобиля.
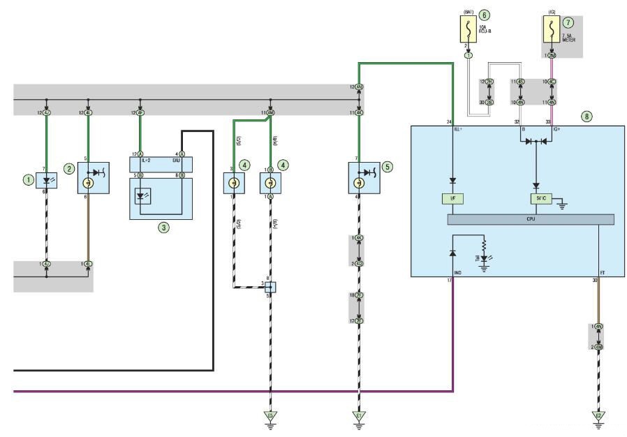
Освещение салона Тойота королла:
1 – ЭБУ электрооборудования кузова;
2 – предохранитель 10 А;
3 – предохранитель 7,5 А;
4 – комбинация приборов.
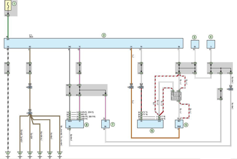
Система зажигания Тойота королла:
1 – предохранитель 7,5 А;
2 – предохранитель 15 А;
3 – реле; 4 – ЭБУ двигателя;
5 – катушка зажигания 4-го цилиндра;
6 – катушка зажигания 3-го цилиндра;
7 – катушка зажигания 2-го цилиндра;
8 – катушка зажигания 1-го цилиндра;
9 – аккумуляторная батарея.
Очистители фар Тойота королла:
1 – предохранитель 10 А;
2 – плавкая вставка 30 А;
3 – электронасос омывателя фар;
4 – выключатель омывателя фар;
5 – ЭБУ электрооборудования кузова;
б – плавкая вставка 50 А;
7 – реле;
8 – управляющее реле омывателя фар;
9 – левый подрулевой переключатель;
10 – подрулевые переключатели;
И – переключатель омывателя фар.
Звуковой сигнал Тойота королла:
1 – предохранитель 10 А;
2 – реле;
3 – звуковой сигнал;
4 – выключатель звукового сигнала на рулевом колесе.
Прикуриватель Тойота королла:
1 – предохранитель 10 А;
2 – прикуриватель.
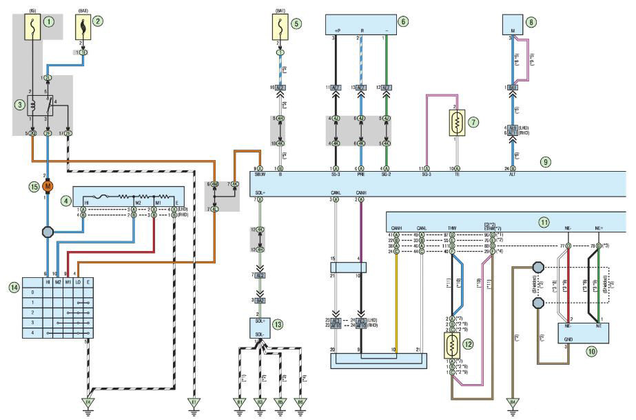
Система кондиционирования с ручным управлением Тойота королла:
1 – предохранитель 10 А;
2 – плавкая вставка 50 А;
3 – реле вентилятора;
4 – резистор вентилятора;
5 – предохранитель 10 А;
6 – датчик давления;
7 – датчик температуры воздуха;
8 – генератор;
9 – блок управления климатической установкой;
10 – датчик положения коленчатого вала;
11 – ЭБУ двигателя;
12 – датчик температуры охлаждающей жидкости;
13 – компрессор кондиционера;
14 – переключатель скорости вращения вентилятора;
15 – электродвигатель вентилятора отопителя.
Система кондиционирования с ручным управлением Тойота королла:
1 – плавкая вставка 50 А;
2 – реле;
3 – блок управления климатической установкой;
4 – предохранитель 10 А;
5 – блок управления системой кондиционирования;
6 – сервопривод;
7 – ЭБУ двигателя;
8 – датчик положения коленчатого вала.
Система кондиционирования с ручным управлением Тойота королла:
1 – блок управления системой кондиционирования;
2 – плавкая вставка 30 А;
3 – реле; 4 – подогреватель.
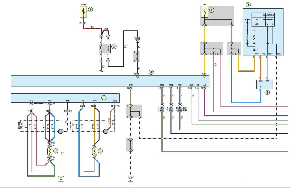
Система кондиционирования с автоматическим управлением Тойота королла:
1 – предохранитель 10 А;
2 – панель управления;
3 – датчик температуры воздуха в салоне;
4 – блок управления климатической установкой;
5 – компрессор кондиционера;
б – датчик давления.
Система кондиционирования с автоматическим управлением Тойота королла:
1 – датчик света;
2 – генератор;
3 – плавкая вставка 50 А;
4 – реле;
5 – блок управления климатической установкой;
б – ЭБУ двигателя;
7 – датчик температуры О охлаждающей жидкости;
8, 9 – датчик положения коленчатого вала.
Система кондиционирования с автоматическим управлением Тойота королла:
1 – блок управления климатической установкой;
2 – блок управления режимами работы вентилятора отопителя;
3 – ЭБУ двигателя.
Система кондиционирования с автоматическим управлением Тойота королла:
1 – блок управления климатической установкой;
2 – электродвигатель вентилятора отопителя;
3 – плавкая вставка 50 А;
4 – плавкая вставка 30 А;
5- реле;
б – пре- О дохранитель 10 А;
7 – предохранитель 7,5 А;
8 – комбинация приборов;
9 – датчик температуры воздуха.
Система автоматического управления освещением Тойота королла:
1 – плавкая вставка 50 А;
2 – плавкая вставка 120 А;
3 – предохранитель 10 А;
4 – предохранитель 7,5 А;
5 – предохранитель 25 А;
6 – ЭБУ электрооборудования кузова;
7 – левый подрулевой переключатель;
8 – концевой выключатель правой передней двери;
9 – концевой выключатель левой передней двери;
10 – реле.
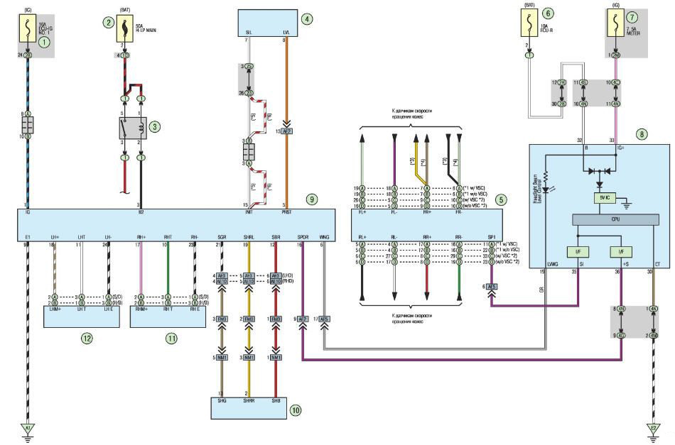
Рулевое управление Тойота королла:
1 – электроусилитель руля;
2 – предохранитель 10 А;
3 – плавкая вставка 60 А;
4 – ЭБУ электроусилителя руля;
5 – диагностический разъем;
6 – предохранитель 10 А;
7 – управляющий датчик;
8 – датчик О усилителя рулевого управления;
9 – датчик угла поворота рулевого колеса.
Рулевое управление Тойота королла:
1 – ЗБУ двигателя;
2, 3 – датчик положения коленчатого вала;
4 – блок управления противобуксовочной системой.
Рулевое управление Тойота королла:
1 – предохранитель 10 А;
2 – предохранитель 7,5 А;
3 – комбинация приборов.
Стеклоочиститель и стеклоомыватель ветрового окна Тойота королла:
1 – предохранитель 25 А;
2 – реле стеклоочистителя ветрового стекла;
3 – моторедуктор стеклоочистителя ветрового стекла.
Стеклоочиститель и стеклоомыватель ветрового окна Тойота королла:
1 – реле стеклоочистителя ветрового стекла;
2 – предохранитель 10 А;
3 – насос стеклоомывателя ветрового окна;
4 – предохранитель 15 А;
5 – комбинация приборов;
б – правый подрулевой переключатель;
7 – датчик дождя;
8 – блок управления ABS.
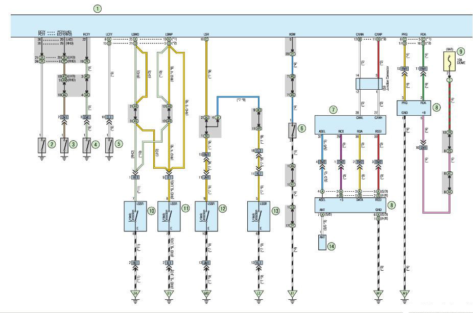
Диагностический разъем Тойота королла:
1 – предохранитель 7,5 А;
2 – диагностический разъем;
3 – датчик системы подушек безопасности;
4 – иммобилизатор;
5 – блок управления автоматическим корректором света фар;
б – блок управления ABS;
7 – блок управления роботизированной (автоматической) коробкой передач;
8 – ЭБУ двигателя.
Система пассивной безопасности Тойота королла:
1 – предохранитель 7,5 А;
2 – датчики фронтальных подушек безопасности;
3 – боковые подушки безопасности;
4 – шторки безопасности;
5 – подушки безопасности коленей водителя;
б – выключатель подушек безопасности;
7 – электронный блок управления системой пассивной безопасности;
8 – подушка безопасности водителя;
9 – подушка безопасности переднего пассажира;
10 – запальное устройство преднатяжителя ремня безопасности водителя;
11 – запальное устройство преднатяжителя ремня безопасности переднего пассажира;
12 – датчик левой передней боковой подушки безопасности;
13 – индикатор подушек безопасности;
14 – датчик левой задней боковой подушки безопасности.
Система пассивной безопасности Тойота королла:
1 – электронный блок управления системой пассивной безопасности;
2 – предохранитель 10 А;
3 – предохранитель 7,5 А;
4 – комбинация приборов;
5 – модуль левого переднего ремня безо- —i пасности;
б – датчик правой передней боковой подушки безопасности;
7 – датчик правой задней боковой подушки безопасности;
8 – ЭБУ двигателя;
9 – модуль правого переднего ремня безопасности.
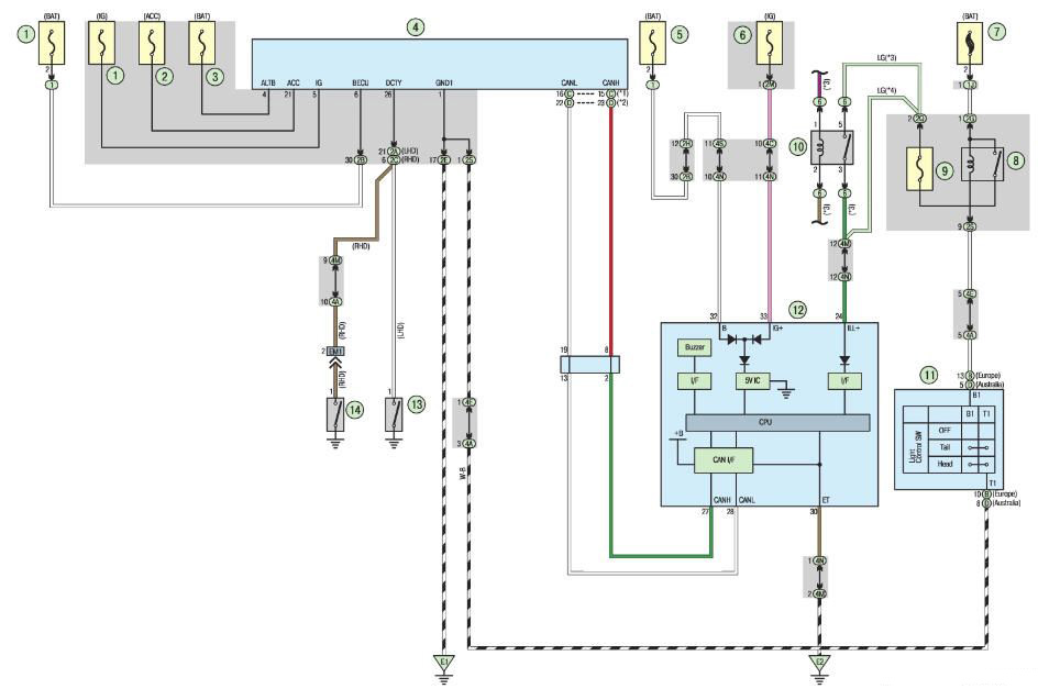
Система оповещения о не выключенном освещении Тойота королла:
1 – предохранитель 10 А;
2 – предохранитель 7,5 А;
3 – предохранитель 25 А;
4 – ЭБУ электрооборудования кузова;
5 – предохранитель 10 А;
б – предохранитель 7,5 А;
7 – плавкая вставка 120 А;
8 – реле;
9 – предохранитель 7,5 А;
10 – реле; И – левый подрулевой переключатель;
12 – комбинация приборов;
13 – концевой выключатель левой передней двери;
14 – концевой выключатель правой передней двери.
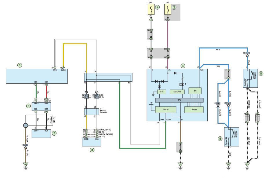
Система предупреждения о непристегнутом ремне безопасности Тойота королла:
1 – предохранитель 10 А;
2 – предохранитель 7,5 А;
3 – комбинация приборов;
4 – сигнализатор непристегнутого ремня;
5 – предохранитель 10 А;
б – ЭБУ электрооборудования кузова;
7, 9 – выключатель сигнализатора непристегнутого ремня водителя;
8, 10 – выключатель сигнализатора непристегнутого ремня переднего пассажира.








































