Содержание
Электросхема бортового оборудования автомобиля Toyota Camry. Типовая схема электрооборудования, на примере модели Тойота Камри.
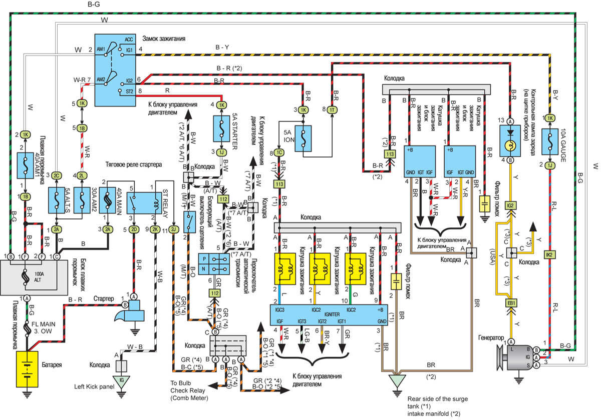
Электросхема системы пуска, заряда и зажигания Тойота Камри
Схема управления 4-цилиндровым двигателем
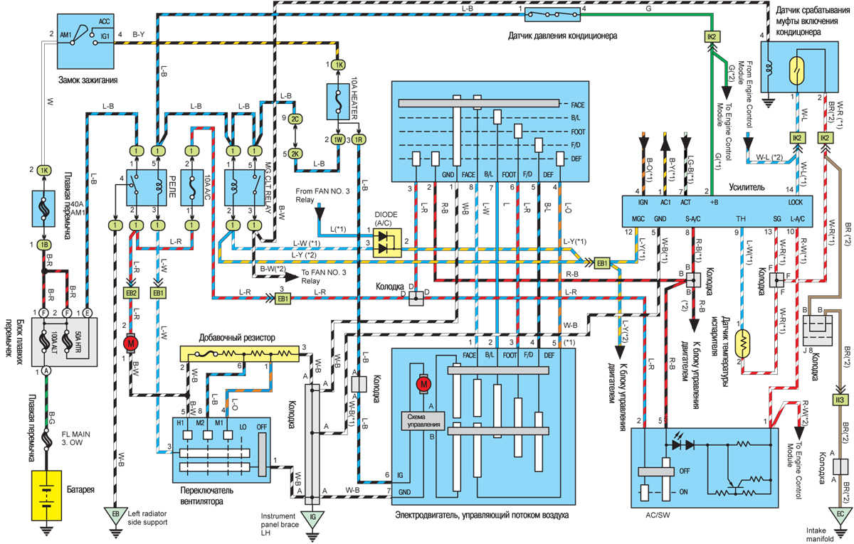
Отопитель и кондиционер автомобиля
Электросхема охлаждения двигателя, обогрев заднего стекла и зеркала
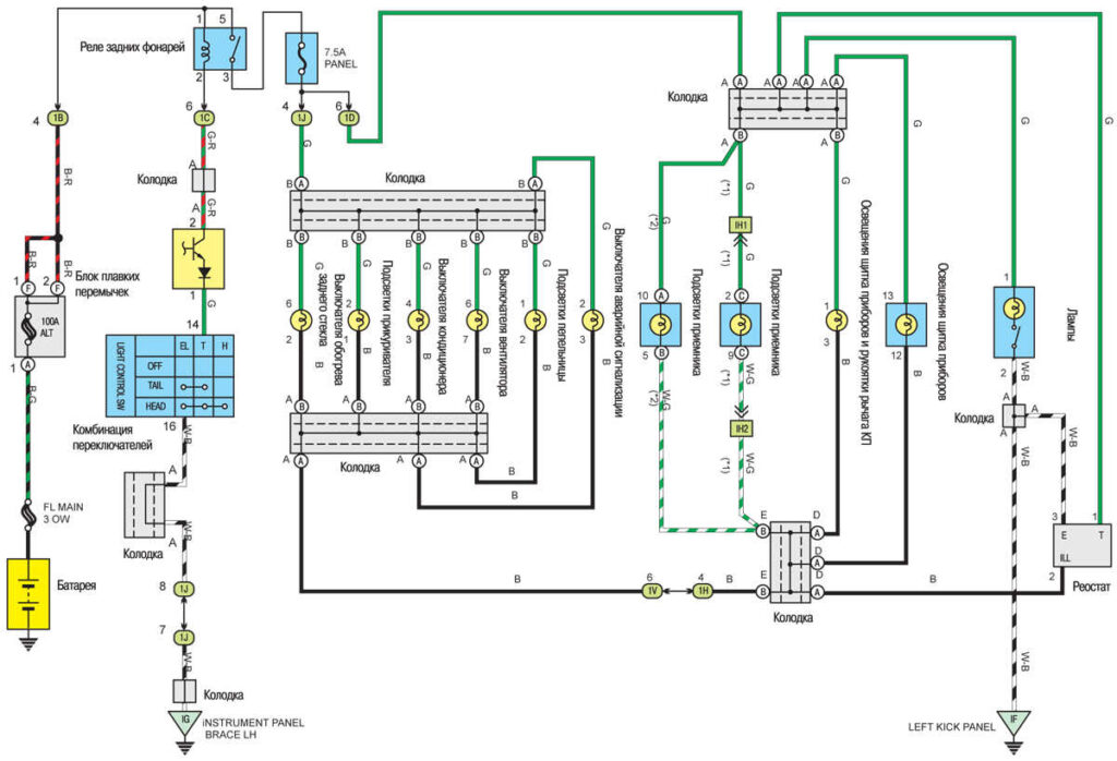
Указатели и система световой сигнализации Тойота Камри
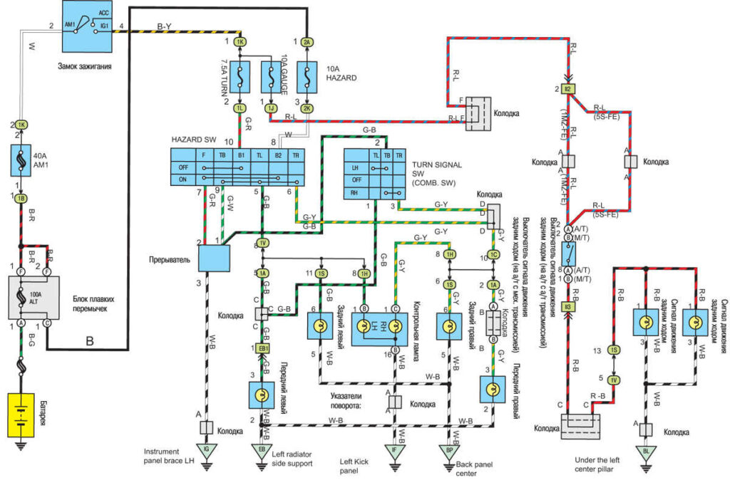
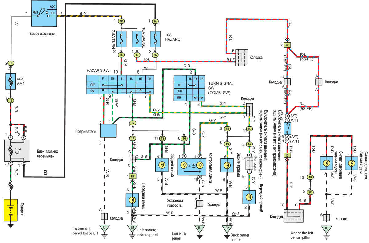
Сигнал поворота, аварийная сигнализация, сигнал движения задним ходом
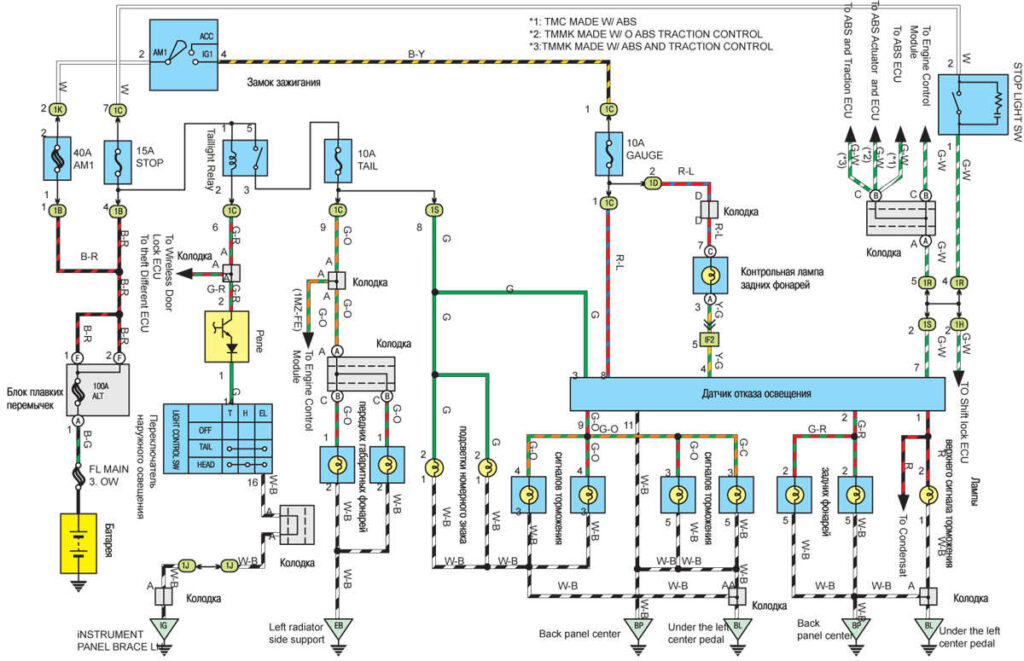
Задние фонари и сигнал торможения автомобиля Тойота
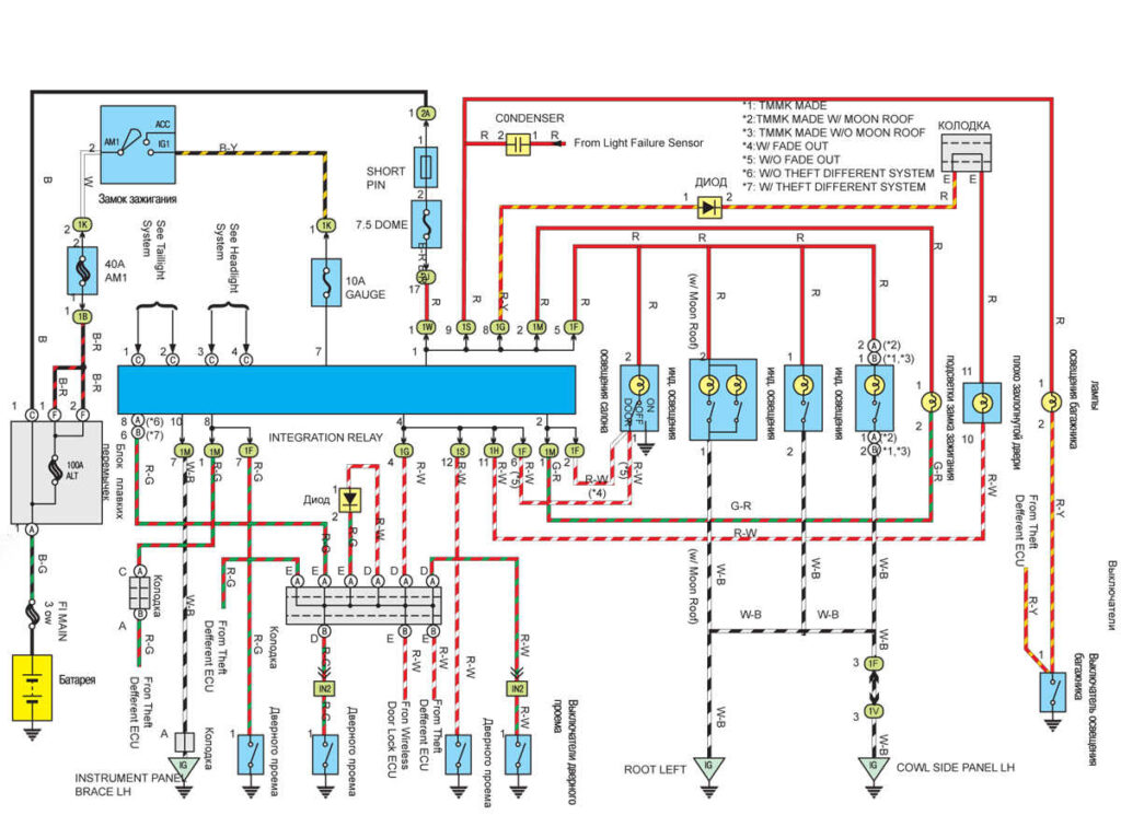
Внутреннее освещение Тойота Камри
Стеклоподъемники авто
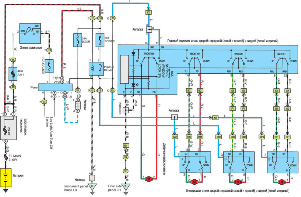
Дверные замки Toyota Camry
Противоугонная система автомобиля
Очиститель и омыватель ветрового стекла, система привода зеркал Toyota Camry
Нажмите, чтобы оценить эту статью!
(Голосов: 2 Рейтинг: 3.5)
















