Содержание
Электросхем для автомобиля Рено Сценик.
Схема принципиальная точек подключения массы у Рено Сценик
Пример расшифровки электросхем
Схема модуля ближнего света фар авто
Электрическая схема стартера, для моделей с бензиновым двигателем
Схема подключения стоп сигналов Рено Сценик
Устройство дальнего света фар
Очиститель и омыватель ветрового стекла, омыватель фар
Соединения на массу передка
Схема обогревателя заднего стекла и боковых зеркал Рено Сценик
Очиститель и омыватель заднего стекла автомобиля
Отопитель Renault Scenic
Сигнальная лампа износа тормозных колодок автомобиля
Схема указателя запаса топлива
Подключение вентилятора Renault Scenic
Цепь зарядки аккумулятора авто
Сигнальная лампа давления масла
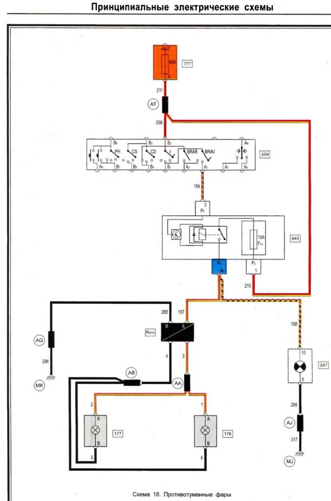
Принципиальная схема противотуманных фар
Противотуманные фонари Renault Scenic
Схема радиоприёмника в салоне
Прикуриватель
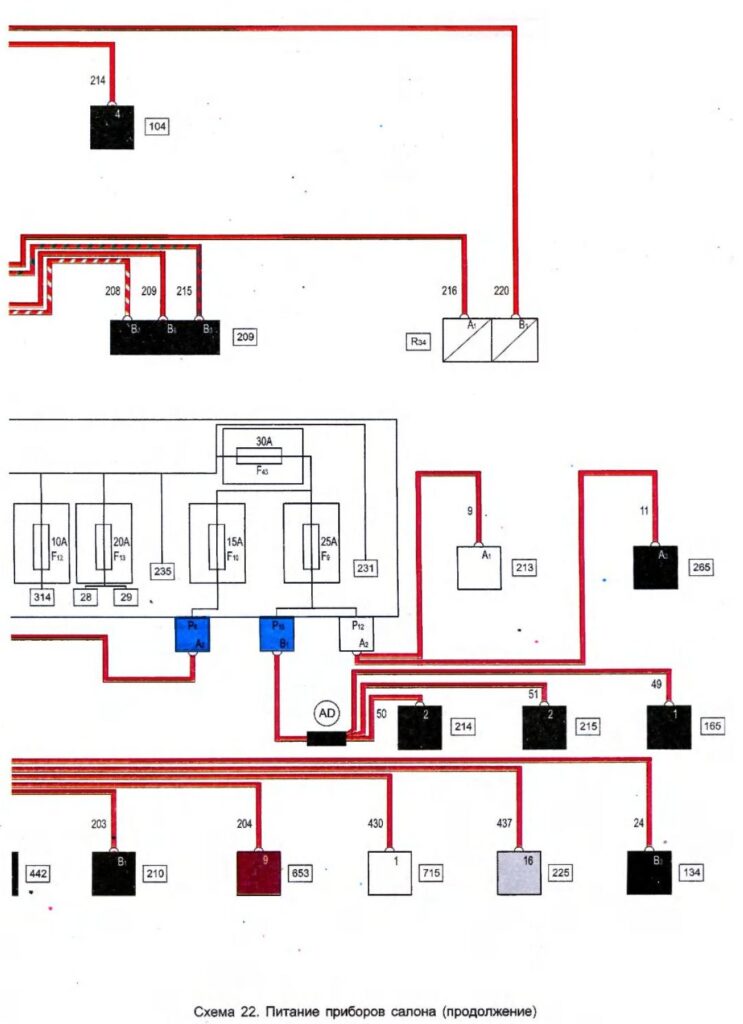
Электросхема питания приборов
Распределительная плата авто
Схема стояночных огней Renault Scenic
Поворотники и сигнализация
Нажмите, чтобы оценить эту статью!
(Голосов: 7 Рейтинг: 4.3)


























