Содержание
Схемы самых популярных скутеров фирмы Ямаха. Электросхемы Yamaha Aerox, Yamaha Cygnus, Yamaha Majesty, Yamaha Jog, Yamaha Neos.
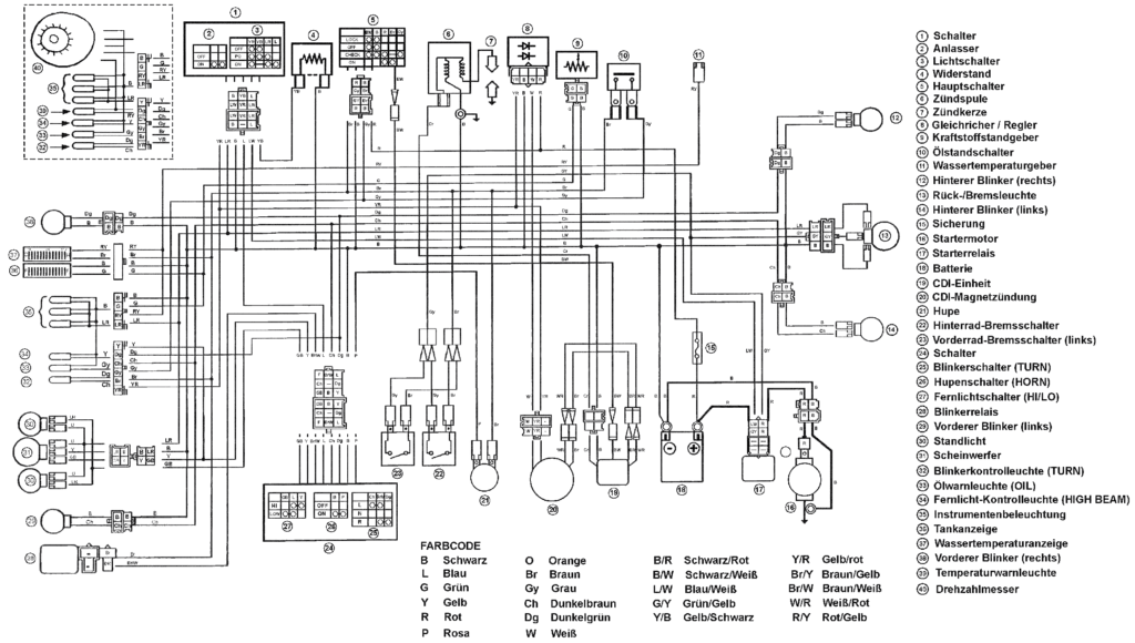
Электросхема скутера Yamaha Aerox
Электросхема скутера Yamaha Cygnus
Электросхема скутера Yamaha Majesty
Электросхема скутера Yamaha Jog
Электросхема скутера Yamaha Neos
Нажмите, чтобы оценить эту статью!
(Голосов: 3 Рейтинг: 3.7)




