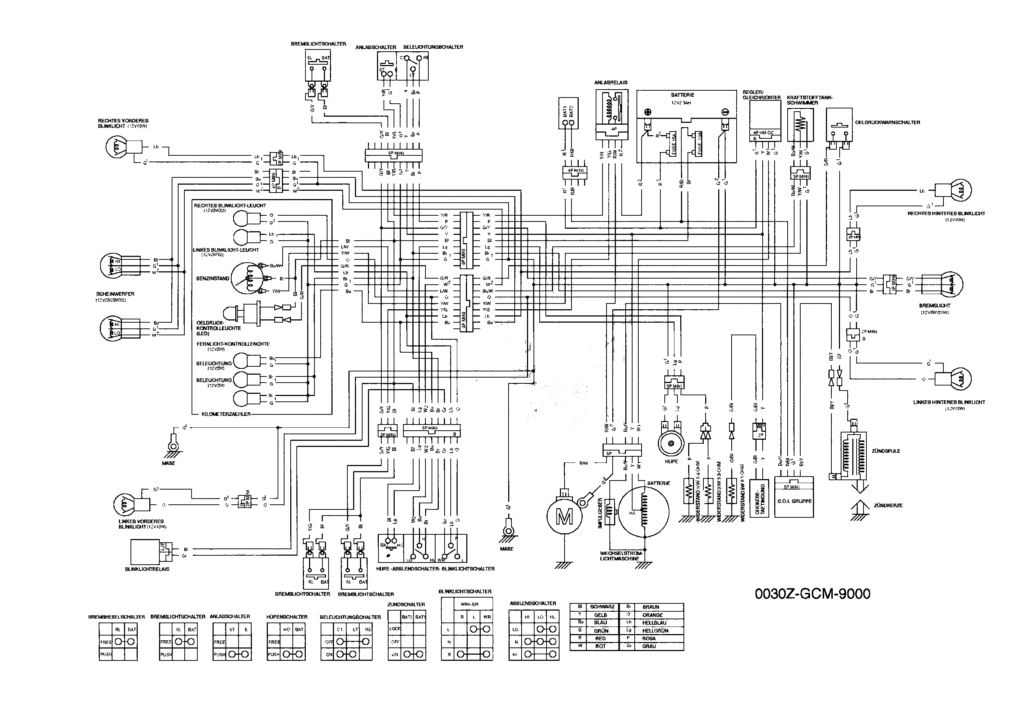
Электросхемы скутеровЭлектросхема скутера Honda Admin 30.03.2023 Содержание Электросхема скутера Honda X8RЭлектросхема скутера Honda DioЭлектросхема скутера Honda Lead NH50Электросхема скутера Honda TactСхемы самых популярных скутеров фирмы Ямаха. Электросхемы Honda X8R, Honda Dio, Honda Lead, Honda Tact.Электросхема скутера Honda X8RЭлектросхема скутера Honda DioЭлектросхема скутера Honda Lead NH50Электросхема скутера Honda TactНажмите, чтобы оценить эту статью!(Голосов: 2 Рейтинг: 3) HondaХонда 0 КомментарииFacebookPinterestLinkedinViberEmail предыдущая статья Электросхема скутера Yamaha следующая статья Электросхема скутера Suzuki Читайте также Электросхема скутера Suzuki Электросхема скутера Yamaha