Автомагнитолы семейства alpine, как правило, неприхотливы в эксплуатации и не требуют специальных знаний и чрезмерных усилий при их установке. Впрочем, даже самое надежное устройство можно вывести из строя, если при работе с ним не придерживаться хотя бы элементарных правил работы с электронными и электрическими устройствами.
Прежде всего, необходимо помнить о том, что магнитолы данного бренда предназначены исключительно для автомобилей с системой электроснабжения +12В с общим заземлением на «корпус», другими словами, если на вашем грузовике или автобусе установлен аккумулятор на 24В, то эта автомагнитола не для вас.
Во избежание вывода из строя мультимедийной системы, как таковой, или прочего электронного оборудования находящегося на автомобиле следует заранее отключить силовой кабель от минусовой клеммы аккумулятора. Такая мера не только позволит избежать коротких замыканий, но и предохранит случайного удара электрическим током.
Чтобы вся работа по установке устройства не оказалась напрасной и его не пришлось лишний раз снимать, не забудьте записать серийный номер аппарата и сохранить его в доступном месте (он может понадобиться вам для разблокировки системы управления магнитолы ). Табличку с номером можно найти на нижней панели головного блока.
Место установки для магнитолы выбирается таким образом, что дисплей как в открытом, так и закрытом положении, не препятствовал нормальному движению рычага переключения скоростей, при этом общий угол установки аппарата не должен превышать 35⁰, а вентиляционное отверстие встроенного вентилятора не должно закрываться от доступа воздуха (в противном случае появляется риск перегрева электронного устройства и его возгорания).
Крепление основного устройства производиться в специальную монтажную корзину, поставляемую в комплекте изделия, с использованием монтажных элементов в виде шестигранного болта и резиновой заглушки.
Допускается закреплять основной блок при помощи кронштейна, уже установленного на автомобиле. В этом случае задняя часть магнитолы крепиться при помощи шестигранного болта, а с боков блок фиксируется при помощи саморезов, длина которых не должна превышать 6 мм.
Иногда, в целях обеспечения возможности цифровой связи по системе Ai – NET, возникает необходимость в установке дополнительного процессора (РХА-Н510, РХА-Н710 и пр.). В такой ситуации электрическое соединение производится при помощи оптоволоконного кабеля, а само дополнительное устройство, в виде соединительной коробки, закрепляется в любом удобном месте крепежной лентой типа «липучка».
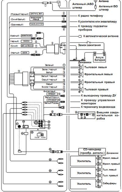
Общие электрические соединения рекомендуется выполнять, используя универсальный разъем ISO, который имеется на любом современном автомобиле. Схема подключения магнитолы alpine позволит справиться с ситуаций, если, по каким либо причинам, такой разъем отсутствует.
Что касается элементов воспроизведения аудио системы, то оптимального качества звука удастся достигнуть только в том случае, если соединительные кабеля системы будут располагаться не ближе 10см от проводов, относящихся к электрической системе самого автомобиля. Большое значение имеет и качество соединения провода заземления к металлическому корпусу кузова.

